Features: • Maximum package dimensions:8mm• High sensitivity (+4dB compared with ICX086AKB)• High saturation signal (+2.2dB compared with ICX086AKB)• Horizontal register: 3.3 to 5.0V drive• Reset gate: 3.3 to 5.0V drive• No voltage adjustment (Reset gate and sub...
ICX206AKB: Features: • Maximum package dimensions:8mm• High sensitivity (+4dB compared with ICX086AKB)• High saturation signal (+2.2dB compared with ICX086AKB)• Horizontal register: 3.3...
SeekIC Buyer Protection PLUS - newly updated for 2013!
268 Transactions
All payment methods are secure and covered by SeekIC Buyer Protection PLUS.

|
Item |
Ratings |
Unit |
Remarks | |
| Against SUB | VDDSUB |
40 to +8 |
V |
|
| VOUT, RG SUB |
40 to +15 |
V |
||
| V1, V3 SUB |
50 to +15 |
V |
||
| V2, Vf4, VLSUB |
50 to +0.3 |
V |
||
| H1, H2, GND SUB |
40 to +0.3 |
V |
||
| Against GND | VDD, VOUT, RG GND |
0.3 to +18 |
V |
|
| V1, V2, V3, V4 GND |
10 to +18 |
V |
||
| H1, H2 GND |
10 to +6 |
V |
||
| Against VL | V1, V3 VL |
0.3 to +28 |
V |
|
| V2, V4, H1, H2, GND VL |
0.3 to +15 |
V |
||
| Between input clock pins | Voltage difference between vertical clock input pins |
to +15 |
V |
*1 |
| H1 H2 |
13 to +13 |
V |
||
| H1, H2 V4 |
14 to +14 |
V |
||
| Storage temperature |
30 to +80 |
|||
| Operating temperature |
10 to +60 |
|||
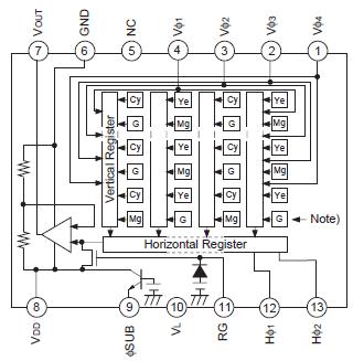
The ICX206AKB is an interline CCD solid-state image sensor suitable for NTSC color video cameras.Compared with the current product ICX086AKB,sensitivity and saturation signal are improved drastically through the adoption of Super HAD CCD technology. Ye, Cy, Mg, and G complementary color mosaic filters are used.
This chip features a field period readout system and an electronic shutter with variable charge-storage time.
Also, this outline of the ICX206AKB is miniaturized by using original package.