Features: • Maximum package dimensions: f8mm• High sensitivity (+4dB compared with ICX069AKB)• High saturation signal (+2.5dB compared with ICX069AKB)• Horizontal register: 3.3 to 5.0V drive• Reset gate: 3.3 to 5.0V drive• No voltage adjustment (Reset gate and s...
ICX209AKB: Features: • Maximum package dimensions: f8mm• High sensitivity (+4dB compared with ICX069AKB)• High saturation signal (+2.5dB compared with ICX069AKB)• Horizontal register: 3...
SeekIC Buyer Protection PLUS - newly updated for 2013!
268 Transactions
All payment methods are secure and covered by SeekIC Buyer Protection PLUS.

|
Item |
Ratings |
Unit |
Remarks | |
| Against SUB | VDD, VOUT, RG SUB |
40 to +8 |
V |
|
| V1, V3 SUB |
50 to +15 |
V |
||
| V2, V4, VL SUB |
50to +0.3 |
V |
||
| H1, H2, GND SUB |
40to +0.3 |
V |
||
| Against GND | VDD, VOUT, RG GND |
0.3 to +18 |
V |
|
| V1, V2, V3, V4 GND |
10 to +18 |
V |
||
| H1, H2 GND |
10to +6 |
V |
||
| Against VL | V1, V3 VL |
0.3 to +28 |
V |
|
| V2, V4, H1, H2, GND VL |
0.3 to +15 |
V |
||
|
Between input clock pins |
Voltage difference between vertical clock input pins |
to +15 |
V |
*1 |
| H1 H2 |
5 to +5 |
V |
||
| H1, H2 V4 |
13 to +13 |
V |
||
| Storage temperature |
30 to +80 |
|||
| Operating temperature |
10 to +60 |
|||
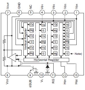
The ICX209AKB is an interline CCD solid-state image sensor suitable for PAL color video cameras.Compared with the current product ICX069AKB,sensitivity and saturation signal are improved drastically through the adoption of Super HAD CCD technology.High resolution is achieved through the use of Ye,Cy, Mg, and G complementary color mosaic filters.
This chip of the ICX209AKB features a field period readout system and an electronic shutter with variable charge-storage time.
Also, this outline is miniaturized by using original package.