Features: • Supports frame readout• High horizontal and vertical resolution• Supports high frame rate readout mode: 30 frames/s• Square pixel• Horizontal drive frequency: 18MHz• No voltage adjustments (reset gate and substrate bias are not adjusted.)• R, G...
ICX224AQF: Features: • Supports frame readout• High horizontal and vertical resolution• Supports high frame rate readout mode: 30 frames/s• Square pixel• Horizontal drive frequenc...
SeekIC Buyer Protection PLUS - newly updated for 2013!
268 Transactions
All payment methods are secure and covered by SeekIC Buyer Protection PLUS.

|
Item |
Ratings | Unit | Remarks | |
| Against SUB | VDD, VOUT, RG SUB | 40 to +12 | V | |
| V1A, V1B, V3A, V3B SUB | 50 to +15 | V | ||
| V2, V4, VL SUB | 50 to +0.3 | V | ||
| H1, H2, GND SUB | 40 to +0.3 | V | ||
| CSUB SUB | 25 to | V | ||
| Against GND | VDD, VOUT, RG, CSUB GND | 0.3 to +22 | V | |
| V1A, V1B, V2, V3A, V3B, V4 GND | 10 to +18 | V | ||
| H1, H2 GND | 10 to +6.5 | V | ||
| Against VL | V1A, V1B, V3A, V3B VL | 0.3 to +28 | V | |
| V2, V4, H1, H2, GND VL | 0.3 to +15 | V | ||
| Between input clock pins |
Voltage difference between vertical clock input pins | to +15 | V | *2 |
| H1 H2 | 6.5 to +6.5 | V | ||
| H1, H2 V4 | 10 to +16 | V | ||
| Storage temperature | 30 to +80 | °C | ||
| Guaranteed temperature of performance | 10 to +60 | °C | ||
| Operating temperature | 10 to +75 | °C | ||
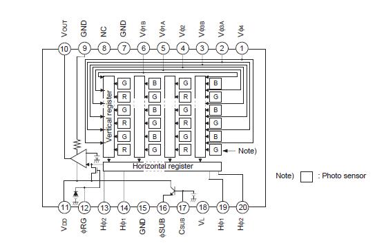
The ICX224AQF is a diagonal 8mm (Type 1/2) interline CCD solid-state image sensor with a square pixel array and 2.02M effective pixels. Frame readout allows all pixels' signals to be output independently within approximately 1/7.5 second. Also, the adoption of high frame rate readout mode supports 30 frames per second which is four times the speed in frame readout mode. This chip of the ICX224AQF features an electronic shutter with variable charge-storage time. Adoption of a design specially suited for frame readout ensures a saturation signal level equivalent to when using field readout. High resolution and high color reproductivity are achieved through the use of R, G, B primary color mosaic filters. Further, high sensitivity and low dark current are achieved through the adoption of Super HAD CCD technology.
This chip of the ICX224AQF is suitable for applications such as electronic still cameras, PC input cameras, etc.