Features: • Low smear (105dB Typ. at F5.6)• Low power consumption (34% compared with ICX206AK)• High sensitivity (+2.5dB at F1.2 compared with ICX206AK)• High saturation signal• Supply voltage 12V• Horizontal register: 3.3V drive• Reset gate: 3.3V drive...
ICX226AK: Features: • Low smear (105dB Typ. at F5.6)• Low power consumption (34% compared with ICX206AK)• High sensitivity (+2.5dB at F1.2 compared with ICX206AK)• High saturation sign...
SeekIC Buyer Protection PLUS - newly updated for 2013!
268 Transactions
All payment methods are secure and covered by SeekIC Buyer Protection PLUS.

|
Item |
Ratings |
Unit |
Remarks | |
| Against SUB | VDD, VOUT, RG SUB |
32 to +12 |
V |
|
| V1, V3 SUB |
40 to +15 |
V |
||
| V2, V4, VL SUB |
40 to +0.3 |
V |
||
| H1, H2, GND SUB |
32 to +0.3 |
V |
||
| Against GND | VDD, VOUT, RG GND |
0.3 to +17 |
V |
|
| V1, V2, V3, V4 GND |
7 to +14 |
V |
||
| H1, H2 GND |
7 to +4.2 |
V |
||
| Against VL | V1, V3 VL |
0.3 to +21 |
V |
|
| V2, V4, H1, H2, GND VL |
0.3 to +12 |
V |
||
| Between input clock pins | Voltage difference between vertical clock input pins |
to +12 |
V |
*1 |
| H1 H2 |
5 to +5 |
V |
||
| H1, H2 V4 |
12 to +12 |
V |
||
| Storage temperature |
30 to +80 |
|||
| Operating temperature |
10 to +60 |
|||
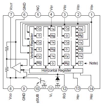
The ICX226AK is an interline CCD solid-state image sensor suitable for NTSC color video cameras.Compared with the current product ICX206AK, smear charactristics are improved drastically and power consumption is reduced. Ye, Cy, Mg, and G complementary color mosaic filters are used. High sensitivity and high saturation signal are achieved by
Super HAD CCD technology.
This chip of the ICX226AK features a field period readout system and an electronic shutter with variable charge-storage time.
The package is a 10mm-square 14-pin DIP (Plastic).