Features: • Low smear (105dB Typ. at F5.6)• Low power consumption (34% compared with ICX207AK)• High sensitivity (+2.5dB at F1.2 compared with ICX207AK)• High saturation signal• Supply voltage 12V• Horizontal register: 3.3V drive• Reset gate: 3.3V drive...
ICX227AK: Features: • Low smear (105dB Typ. at F5.6)• Low power consumption (34% compared with ICX207AK)• High sensitivity (+2.5dB at F1.2 compared with ICX207AK)• High saturation sign...
SeekIC Buyer Protection PLUS - newly updated for 2013!
268 Transactions
All payment methods are secure and covered by SeekIC Buyer Protection PLUS.

|
Item |
Ratings | Unit | Remarks | |
| Against SUB | VDD, VOUT, RG SUB | 32 to +12 | V | |
| V1, V3 SUB | 40 to +15 | V | ||
| V2, V4, VL SUB | 40 to +0.3 | V | ||
| H1, H2, GND SUB | 32 to +0.3 | V | ||
| Against GND | VDD, VOUT, RG GND | 0.3 to +17 | V | |
| V1, V2, V3, V4 GND | 7 to +14 | V | ||
| H1, H2 GND | 7 to +4.2 | V | ||
| Against VL | V1, V3 VL | 0.3 to +21 | V | |
| V2, V4, H1, H2, GND VL | 0.3 to +12 | V | ||
| Between input clock pins |
Voltage difference between vertical clock input pins | to +12 | V | *1 |
| H1 H2 | 5 to +5 | V | ||
| H1, H2 V4 | 12 to +12 | V | ||
| Storage temperature | 30 to +80 | °C | ||
| Operating temperature | 10 to +60 | °C | ||
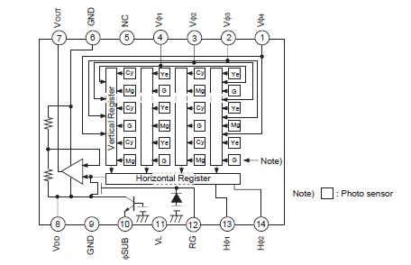
The ICX227AK is an interline CCD solid-state image sensor suitable for PAL color video cameras. Compared with the current product ICX207AK, smear charactristics are improved drastically and power consumption is reduced. Ye, Cy, Mg, and G complementary color mosaic filters are used. High sensitivity and high saturation signal are achieved by Super HAD CCD technology.
This chip of the ICX227AK features a field period readout system and an electronic shutter with variable charge-storage time.
The package is a 10mm-square 14-pin DIP (Plastic).