Features: • Low smear (100dB Typ. at F5.6)• Low power consumption (38% compared with ICX209AL)• High sensitivity (+3dB at F1.2 compared with ICX209AL)• High saturation signal• Supply voltage 12V• Horizontal register: 3.3V drive• Reset gate: 3.3V drive̶...
ICX229AL: Features: • Low smear (100dB Typ. at F5.6)• Low power consumption (38% compared with ICX209AL)• High sensitivity (+3dB at F1.2 compared with ICX209AL)• High saturation signal...
SeekIC Buyer Protection PLUS - newly updated for 2013!
268 Transactions
All payment methods are secure and covered by SeekIC Buyer Protection PLUS.

|
Item |
Ratings |
Unit |
Remarks | |
| Against SUB | VDD, VOUT, RGSUB |
32 to +12 |
V |
|
| V1, V3 SUB |
40 to +15 |
V |
||
| V2, V4, VL SUB |
40 to +0.3 |
V |
||
| H1, H2, GND SUB |
32 to +0.3 |
V |
||
| Against GND | VDD, VOUT, RG GND |
0.3 to +17 |
V |
|
| V1, V2, V3, V4 GND |
7 to +14 |
V |
||
| H1, H2 GND |
7 to +4.2 |
V |
||
| Against VL | V1, V3 VL |
0.3 to +21 |
V |
|
| V2, V4, H1, H2, GND VL |
0.3 to +12 |
V |
||
| Between input clock pins |
Voltage difference between vertical clock input pins |
to +12 |
V |
*1 |
| H1H2 |
5 to +5 |
V |
||
| H1, H2V4 |
12 to +12 |
V |
||
| Storage temperature |
30 to +80 |
|||
| Operating temperature |
10 to +60 |
|||
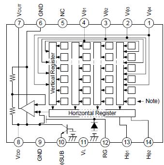
The ICX229AL is an interline CCD solid-state image sensor suitable for CCIR B/W video cameras.Compared with the current product ICX209AL, smear charactristics are improved drastically and power consumption is reduced. High sensitivity and high saturation signal are achieved by Super HAD CCD technology.
This chip of the ICX229AL features a field period readout system and an electronic shutter with variable charge-storage time.
The package is a 10mm-square 14-pin DIP (Plastic).