Features: • High sensitivity and low smear• Horizontal register: 3.3 to 5.0V drive• Reset gate: 3.3 to 5.0V drive• No voltage adjustment (Reset gate and substrate bias are not adjusted.)• Low dark current and excellent antiblooming characteristics• Continuous va...
ICX239AKE: Features: • High sensitivity and low smear• Horizontal register: 3.3 to 5.0V drive• Reset gate: 3.3 to 5.0V drive• No voltage adjustment (Reset gate and substrate bias are no...
SeekIC Buyer Protection PLUS - newly updated for 2013!
268 Transactions
All payment methods are secure and covered by SeekIC Buyer Protection PLUS.

|
Item |
Ratings |
Unit |
Remarks | |
| Against SUB | VDD, VOUT, RGSUB |
40 to +8 |
V |
|
| V1, V3 SUB |
50 to +15 |
V |
||
| V2, V4, VL SUB |
50 to +0.3 |
V |
||
| H1, H2, GND SUB |
40 to +0.3 |
V |
||
| Against GND | VDD, VOUT, RG GND |
0.3 to +18 |
V |
|
| V1, V2, V3, V4 GND |
10 to +18 |
V |
||
| H1, H2 GND |
10 to +6 |
V |
||
| Against VL | V1, V3 VL |
0.3 to +28 |
V |
|
| V2, V4, H1, H2, GND VL |
0.3 to +15 |
V |
||
| Between input clock pins |
Voltage difference between vertical clock input pins |
to +15 |
V |
*1 |
| H1H2 |
6to +6 |
V |
||
| H1, H2V4 |
14 to +14 |
V |
||
| Storage temperature |
30 to +80 |
|||
| Operating temperature |
10 to +60 |
|||
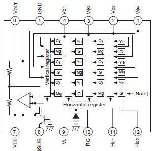
The ICX239AKE is an interline CCD solid-state image sensor suitable for PAL small color cameras.High resolution is achieved through the use of Ye,Cy, Mg, and G complementary color mosaic filters.
This chip of the ICX239AKE features a field period readout system and an electronic shutter with variable charge-storage time.
The package is a small 12-pin SON(LCC).