Features: • High sensitivity (+4.0dB compared with the ICX039DNA)• Low smear (6dB compared with the ICX039DNA)• High D range (+2.0dB compared with the ICX039DNA)• High S/N• High resolution and low dark current• Excellent antiblooming characteristics• Ye, C...
ICX249AK: Features: • High sensitivity (+4.0dB compared with the ICX039DNA)• Low smear (6dB compared with the ICX039DNA)• High D range (+2.0dB compared with the ICX039DNA)• High S/N...
SeekIC Buyer Protection PLUS - newly updated for 2013!
268 Transactions
All payment methods are secure and covered by SeekIC Buyer Protection PLUS.

|
Item |
Ratings | Unit | Remarks | |
| Substrate clock SUB GND | 0.3 to +50 | V | ||
| Supply voltage | VDD, VRD, VDSUB, VOUT, VSS GND | 0.3 to +18 | V | |
| VDD, VRD, VDSUB, VOUT, VSS SUB | 55 to +10 | V | ||
| Clock input voltage | V1, V2, V3, V4 GND | 15 to +20 | V | |
| V1, V2, V3, V4 SUB | to +10 | V | ||
| Voltage difference between vertical clock input pins | to +15 | V | *1 | |
| Voltage difference between horizontal clock input pins | to +17 | V | ||
| H1, H2 V4 | 17 to +17 | V | ||
| RG, VGG GND | 10 to +15 | V | ||
| RG, VGG SUB | 55 to +10 | V | ||
| VL SUB | 65 to +0.3 | V | ||
| Pins other than GND and SUB VL | 0.3 to +30 | v | ||
| Storage temperature | 30 to +80 | °C | ||
| Operating temperature | 10 to +60 | °C | ||
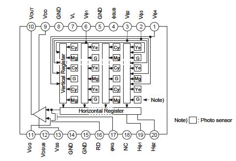
The ICX249AK is an interline CCD solid-state image sensor suitable for PAL color video cameras with a diagonal 8mm (Type 1/2) system. Compared with the current product ICX039DNA, basic characteristics such as sensitivity, smear, dynamic range and S/N are improved drastically through the adoption of EXview HAD CCDTM technology.
This chip of the ICX249AK features a field period readout system and an electronic shutter with variable charge-storage time. This chip is compatible with the pins of the ICX039DNA and has the same drive conditions.
EXview HAD CCDTM has different spectral characteristics from the current CCD.