Features: • High sensitivity (+5dB compared with the ICX208AK)• Low smear (20dB compared with the ICX208AK)• High D range (+2dB compared with the ICX208AK)• Horizontal register: 3.3 to 5.0V drive• Reset gate: 3.3 to 5.0V drive• No voltage adjustment (Reset gate ...
ICX278AK: Features: • High sensitivity (+5dB compared with the ICX208AK)• Low smear (20dB compared with the ICX208AK)• High D range (+2dB compared with the ICX208AK)• Horizontal regist...
SeekIC Buyer Protection PLUS - newly updated for 2013!
268 Transactions
All payment methods are secure and covered by SeekIC Buyer Protection PLUS.

|
Item |
Ratings |
Unit |
Remarks | |
| Against SUB | VDD, VOUT, RG SUB |
40 to +8 |
V |
|
| V1, V3 SUB |
50 to +15 |
V |
||
| V2, V4, VL SUB |
50to +0.3 |
V |
||
| H1, H2, GND SUB |
40to +0.3 |
V |
||
| Against GND | VDD, VOUT, RG GND |
0.3 to +18 |
V |
|
| V1, V2, V3, V4 GND |
10 to +18 |
V |
||
| H1, H2 GND |
10to +6 |
V |
||
| Against VL | V1, V3 VL |
0.3 to +28 |
V |
|
| V2, V4, H1, H2, GND VL |
0.3 to +15 |
V |
||
|
Between input clock pins |
Voltage difference between vertical clock input pins |
to +15 |
V |
*1 |
| H1 H2 |
5 to +5 |
V |
||
| H1, H2 V4 |
13 to +13 |
V |
||
| Storage temperature |
30 to +80 |
|||
| Operating temperature |
10 to +60 |
|||
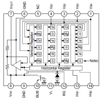
The ICX278AK is an interline CCD solid-state image sensor suitable for NTSC color video cameras with a diagonal 4.5mm (Type 1/4) system. Compared with the current product ICX208AK, basic characteristics such as sensitivity, smear and dynamic range are improved drastically through the adoption of EXview HAD CCDTM technology.
This chip features a field period readout system and an electronic shutter with variable charge-storage time.
The package is a 10mm-square 14-pin DIP (Plastic).
EXview HAD CCDTM of the ICX278AK has different spectral characteristics from the current CCD.