Features: • Sensitivity in near infrared light region (+5dB compared with the ICX208AL, = 945nm)• High sensitivity (+6dB compared with the ICX208AL, no IR cut filter)• Low smear (20dB compared with the ICX208AL)• High D range (+2dB compared with the ICX208AL)• Horizo...
ICX278AL: Features: • Sensitivity in near infrared light region (+5dB compared with the ICX208AL, = 945nm)• High sensitivity (+6dB compared with the ICX208AL, no IR cut filter)• Low smear (...
SeekIC Buyer Protection PLUS - newly updated for 2013!
268 Transactions
All payment methods are secure and covered by SeekIC Buyer Protection PLUS.

|
Item |
Ratings |
Unit |
Remarks | |
| Against SUB | VDD, VOUT, RG SUB |
40 to +8 |
V |
|
| V1, V3 SUB |
50 to +15 |
V |
||
| V2, V4, VL SUB |
50to +0.3 |
V |
||
| H1, H2, GND SUB |
40to +0.3 |
V |
||
| Against GND | VDD, VOUT, RG GND |
0.3 to +18 |
V |
|
| V1, V2, V3, V4 GND |
10 to +18 |
V |
||
| H1, H2 GND |
10to +6 |
V |
||
| Against VL | V1, V3 VL |
0.3 to +28 |
V |
|
| V2, V4, H1, H2, GND VL |
0.3 to +15 |
V |
||
|
Between input clock pins |
Voltage difference between vertical clock input pins |
to +15 |
V |
*1 |
| H1 H2 |
5 to +5 |
V |
||
| H1, H2 V4 |
12 to +12 |
V |
||
| Storage temperature |
30 to +80 |
|||
| Operating temperature |
10 to +60 |
|||
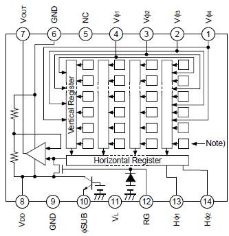
The ICX278AL is an interline CCD solid-state image sensor suitable for EIA B/W video cameras with a diagonal 4.5mm (Type 1/4) system. Compared with the current product ICX208AL, basic characteristics such as sensitivity, smear and
dynamic range are improved drastically from visible light region to near infrared light region through the adoption of EXview HAD CCDTM technology.
This chip of the ICX278AL features a field period readout system and an electronic shutter with variable charge-storage time.
The package is a 10mm-square 14-pin DIP (Plastic).