Features: • Progressive scan allows individual readout of the image signals from all pixels.• High horizontal and vertical resolution (both approximately 1024TV-lines) still images without a mechanical shutter• Supports high frame rate readout mode (effective 256 lines output, 60...
ICX285AL: Features: • Progressive scan allows individual readout of the image signals from all pixels.• High horizontal and vertical resolution (both approximately 1024TV-lines) still images witho...
SeekIC Buyer Protection PLUS - newly updated for 2013!
268 Transactions
All payment methods are secure and covered by SeekIC Buyer Protection PLUS.

|
Item |
Ratings |
Unit |
Remarks | |
| Against SUB | VDD, VOUT, RGSUB |
40 to +12 |
V |
|
| V2A, V2B SUB |
50 to +15 |
V |
||
| V2, V4, VLSUB |
50 to +0.3 |
V |
||
| H1, H2, GND SUB |
40 to +0.3 |
V |
||
| CSUB SUB |
25 to |
V |
||
| Against GND | VDD, VOUT, RG, CSUB GND |
0.3 to +22 |
V |
|
| V1, V2A, V2B, V3, V4 GND |
10 to +18 |
V |
||
| H1, H2 GND |
10 to +6.5 |
V |
||
| Against VL | V2A, V2B VL |
0.3 to +28 |
V |
|
| V1, V3, V4, H1, H2, GND VL |
0.3 to +15 |
V |
||
| Between input clock pins |
Voltage difference between vertical clock input pins |
to +15 |
V |
*1 |
| H1H2 |
6.5 to +6.5 |
V |
||
| H1, H2V4 |
10 to +16 |
V |
||
| Storage temperature |
30 to +80 |
|||
| Guaranteed temperature of performance |
10 to +60 |
|||
| Operating temperature |
10 to +75 |
|||
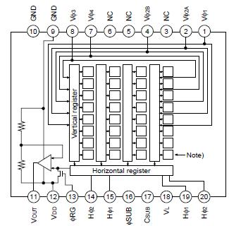
The ICX285AL is a diagonal 11 mm (Type 2/3) interline CCD solid-state image sensor with a square pixel array. High sensitivity and low smear are achieved through the adoption of EXview HAD CCD technology. Progressive scan allows all pixel's signals to be output independently within approximately 1/15 second. Also, the adoption of high frame rate readout mode supports 60 frames per second. This chip features an electronic shutter with variable charge-storage time which makes it possible to realize full-frame still images without a mechanical shutter.
This chip of the ICX285AL is suitable for image input applications such as still cameras which require high resolution,etc