Features: • Supports frame readout system• High horizontal and vertical resolution• Supports high frame rate readout mode : 30 frames/s, AF mode : 60 frames/s, 50 frames/s• Square pixel• Horizontal drive frequency: 24.3MHz• No voltage adjustments (reset gate and...
ICX432DQ: Features: • Supports frame readout system• High horizontal and vertical resolution• Supports high frame rate readout mode : 30 frames/s, AF mode : 60 frames/s, 50 frames/s• S...
SeekIC Buyer Protection PLUS - newly updated for 2013!
268 Transactions
All payment methods are secure and covered by SeekIC Buyer Protection PLUS.

| Item | Ratings | Unit | Remarks | |
| Against SUB | VDD, VOUT, RG SUB | 40 to +12 | V | |
| VDD, VOUT, RG SUB | 50 to +15 | V | ||
| VDD, VOUT, RG SUB | 50 to +0.3 | V | ||
| H1, H2, GND SUB | 40 to +0.3 | V | ||
| CSUB SUB | 25 to | V | ||
| Against GND | VDD, VOUT, RG, CSUB GND | 0.3 to +22 | V | |
| V1, V2, V3A, V3B, V4, V5A, V5B, V6 GND | 10 to +18 | V | ||
| H1, H2 GND | 10 to +6.5 | V | ||
| H1, H2 GND | V1, V3A, V3B, V5A, V5B VL | 0.3 to +28 | V | |
| V2, V4, V6, H1, H2, GND VL | 0.3 to +15 | V | ||
| Between input clock pins | Voltage difference between vertical clock input pins | to +15 | V | ∗1 |
| H1 H2 | 6.5 to +6.5 | V | ||
| H1, H2 V6 | 10 to +16 | V | ||
| Storage temperature | 30 to +80 | °C | ||
| Guaranteed temperature of performance | 10 to +60 | °C | ||
| Operating temperature | 10 to +75 | °C | ||
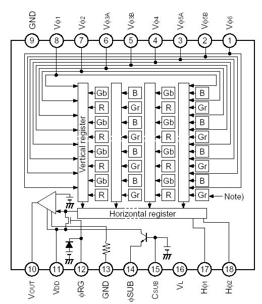
The ICX432DQ is a diagonal 6.67mm (Type 1/2.7) interline CCD solid-state image sensor with a square pixel array and 3.24M effective pixels. Adoption of a 3-field readout system ensures small size and high performance. This chip features an electronic shutter with variable charge-storage time.
R, G, B primary color mosaic filters of the ICX432DQ are used as the color filters, and at the same time high sensitivity and low dark current are achieved through the adoption of Super HAD CCD technology.
This chip is suitable for applications such as electronic still cameras, etc.