Features: • Wide Operating Frequency Range: IFD-53010: 0.15 to 5.5 GHz IFD-53110: 0.15 to 3.5 GHz• Low Phase Noise:-143 dBc/Hz @ 1 kHz Offset• Output Power: -5 dBm Typ.• Single Supply Voltage Vcc = 5 V or Vee = -5 V• On-Chip Terminations Provide Good Input and Output ...
IFD-53010: Features: • Wide Operating Frequency Range: IFD-53010: 0.15 to 5.5 GHz IFD-53110: 0.15 to 3.5 GHz• Low Phase Noise:-143 dBc/Hz @ 1 kHz Offset• Output Power: -5 dBm Typ.• Sing...
SeekIC Buyer Protection PLUS - newly updated for 2013!
268 Transactions
All payment methods are secure and covered by SeekIC Buyer Protection PLUS.

| Symbol | Parameter | Units | Absolute Maximum[1] |
| Vcc - Vee | Device Voltage | V | 8 |
| Pdiss | Power Dissipation[2,3] | mW | 650 |
| Pin | RF Input Power | dBm | +15 |
| Tj | Junction Temperature | °C | 200 |
| TSTG | Storage Temperature | °C | -65 to +200 |
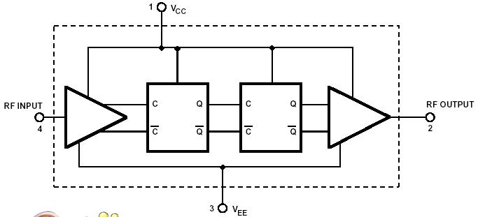
Hewlett-Packard's IFD-53010 and IFD-53110 are low phase noise silicon bipolar static digital frequency dividers using two scaled Emitter-Coupled-Logic (ECL) master-slave D flip-flops and buffer amplifiers. They are housed in hermetic high reliability surface mount packages suitable for commercial, industrial, and military applications. Typical applications include stabilized or digitally controlled local oscillators for GPS, SATCOM or military receivers, and frequency synthesizers and counters in instrumentation systems.
The IFD-53110 is a lower cost selected version of the IFD-53010, and is distinguished by a reduced operating frequency range.
The IFD series of frequency dividers is fabricated using Hewlett-Packard's 18 GHz, ft, ISOSAT™-2 silicon bipolar process which uses nitride selfalignment, submicrometer lithography, trench isolation, ionimplantation, gold metallization and polyimide intermetal dielectric and scratch protection to achieve excellent device uniformity, performance, and reliability.