Features: • Very High Current Transfer RatioIL766B-1: 400% at IF=1 mA, VCE=5 VIL766B-2: 900% at IF=0.5 mA, VCE=5 V• Internal RBE for Better Stability• BVCEO>60 V• Isolation Test Voltage, 5300 VACRMS• AC or Polarity Insensitive Inputs• No Base Connection•...
IL766B: Features: • Very High Current Transfer RatioIL766B-1: 400% at IF=1 mA, VCE=5 VIL766B-2: 900% at IF=0.5 mA, VCE=5 V• Internal RBE for Better Stability• BVCEO>60 V• Isolatio...
SeekIC Buyer Protection PLUS - newly updated for 2013!
268 Transactions
All payment methods are secure and covered by SeekIC Buyer Protection PLUS.

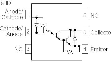
The IL766B is a bidirectional input, optically coupled isolator consisting of two Gallium Arsenide infrared emitters and a silicon photodarlington sensor.