Features: • Pb-Free Available as an Option (RoHS Compliant) (see Ordering Info)• Drop in Replacement for the STG3699• ON Resistance (RON)- V+ = +3.0V . . . . . . . . . . . . . . . . . . . . . . . . . . . . . 0.26Ω- V+ = +1.8V . . . . . . . . . . . . . . . . . . . . . . . . ...
ISL83699: Features: • Pb-Free Available as an Option (RoHS Compliant) (see Ordering Info)• Drop in Replacement for the STG3699• ON Resistance (RON)- V+ = +3.0V . . . . . . . . . . . . . . . ...
SeekIC Buyer Protection PLUS - newly updated for 2013!
268 Transactions
All payment methods are secure and covered by SeekIC Buyer Protection PLUS.

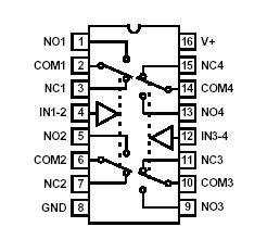
The Intersil ISL83699 device is a low ON-resistance, low voltage, bidirectional, Quad SPDT (Dual DPDT) analog switch designed to operate from a single +1.65V to +3.6V supply. Targeted applications include battery powered quipment that benefit from low on-resistance (0.26Ω), and fast switching speeds (tON = 10ns, tOFF = 7ns). The digital logic input is 1.8V logic-compatible when using a single +3V supply.
Cell phones, for example, often face ASIC functionality limitations. The number of analog input or GPIO pins may be limited and digital geometries are not well suited to analog switch performance. This family of parts may be used to "mux-in" additional functionality while reducing ASIC design risk. The ISL83699 is offered in small form factor packages, alleviating board space limitations.
The ISL83699 consists of four SPDT switches. It is configured as a dual double-pole/double-throw (DPDT) device with two logic control inputs that control two SPDT switches each. The configuration can be used as a dual differential 2-to-1 multiplexer/demultiplexer. The ISL83699 is pin compatible with the STG3699.