Features: • Specified for 10% Tolerance Supplies• Class 3 ESD Protection (HBM) on all Pins. . . . . . . . >7kV• High Data Rates. . . . . . . . . . . . . . . . . . . . . up to 5Mbps• Slew Rate Limited Versions for Error Free Data Transmission at 250kbps (ISL8483, ISL8488,...
ISL8485: Features: • Specified for 10% Tolerance Supplies• Class 3 ESD Protection (HBM) on all Pins. . . . . . . . >7kV• High Data Rates. . . . . . . . . . . . . . . . . . . . . up to 5M...
SeekIC Buyer Protection PLUS - newly updated for 2013!
268 Transactions
All payment methods are secure and covered by SeekIC Buyer Protection PLUS.

The Intersil RS-485/RS-422 devices are BiCMOS 5V powered, single transceivers that meet both the RS-485 and RS-422 standards for balanced communication. Unlike competitive devices, this Intersil family is specified for 10% tolerance supplies (4.5V to 5.5V).
The ISL8483, ISL8488, and ISL8489 utilize slew rate limited drivers which reduce EMI, and minimize reflections from improperly terminated transmission lines, or unterminated stubs in multidrop and multipoint applications. Data rates up to 5Mbps are achievable by using the ISL8485, ISL8490, or ISL8491, which feature higher slew rates.
All devices present a "single unit load" to the RS-485 bus, which allows up to 32 transceivers on the network. Receiver (Rx) inputs feature a "fail-safe if open" design, which ensures a logic high Rx output if Rx inputs are floating.
Driver (Tx) outputs are short circuit protected, even for voltages exceeding the power supply voltage. Additionally, on-chip thermal shutdown circuitry disables the Tx outputs to prevent damage if power dissipation becomes excessive.
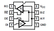
The ISL8488 - 91 are configured for full duplex (separate Rx input and Tx output pins) applications. The ISL8488 and ISL8490 are offered in space saving 8 lead packages for applications not requiring Rx and Tx output disable functions (e.g., point-to-point). Half duplex configurations (ISL8483, ISL8485) multiplex the Rx inputs and Tx outputs to allow transceivers with Rx and Tx disable functions in 8 lead packages.