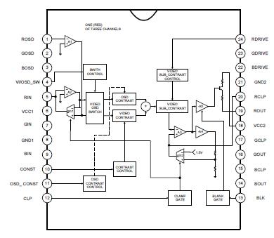
Features: • 3-Channel R/G/B Video Amplifier, 110MHz Bandwidth• TTL OSD Input, 50MHz Bandwidth• DC Contrast Control range: -38dB• DC SUB Contrast Control range: -11dB• Capable of 7.5VPP Output Swing Range• Video/OSD high speed SwitchPinoutSpecifications No ...
KA2143B: Features: • 3-Channel R/G/B Video Amplifier, 110MHz Bandwidth• TTL OSD Input, 50MHz Bandwidth• DC Contrast Control range: -38dB• DC SUB Contrast Control range: -11dB• C...
SeekIC Buyer Protection PLUS - newly updated for 2013!
268 Transactions
All payment methods are secure and covered by SeekIC Buyer Protection PLUS.

| No | Item | Symbol |
Value |
Unit | ||
|
Min |
Typ |
Max | ||||
| 1 | Maximum Supply Voltage | Vccmax |
- |
- |
13.5 |
V |
| 2 | Operating Temperature(2) | Topr |
-20 |
- |
70 |
|
| 3 | Storage Temperature | Tstg |
-65 |
- |
150 |
|
| 4 | Operating Supply Voltage | Vccop |
11.4 |
12.0 |
12.6 |
V(3) |
| 5 | Maximum Supply Current | ICCmax |
120 |
mA | ||
| 6 | Power Dissipation | PD |
- |
- |
2.0 |
W |
<TABLE style="WIDTH: 472px; HEIGHT: 145px" w
The KA2143B is a very high frequency video amplifier system with OSD interface intended to be used in Monitor with high resolution up to 1024×768. It contains 3 matched R/G/B video Amplifiers with Blank signal and provides a flexible interfacing to DC controlled adjustment system.