Features: • 10-Gbps operation: highest speed available• ECL level logic swings: easy interface to other ogic• Inputs internally terminated: reduces noise and hase jitter• 50-W I/Os: easy to interconnect hardwarePinoutSpecifications Parameter Symbol Rated Value ...
KGL4201: Features: • 10-Gbps operation: highest speed available• ECL level logic swings: easy interface to other ogic• Inputs internally terminated: reduces noise and hase jitter• 50-...
SeekIC Buyer Protection PLUS - newly updated for 2013!
268 Transactions
All payment methods are secure and covered by SeekIC Buyer Protection PLUS.
Features: • 11.1Gbps Operation• Differential Input• High Output Voltage: Maximum...
• 10-Gbps operation: highest speed available
• ECL level logic swings: easy interface to other ogic
• Inputs internally terminated: reduces noise and hase jitter
• 50-W I/Os: easy to interconnect hardware

|
Parameter |
Symbol |
Rated Value |
Unit | |
|
Min. |
Max. | |||
| Supply voltage for internal logic |
VDD |
-0.3 |
2.3 |
V |
| Supply voltage for output buffer |
VB |
-0.3 |
2.3 |
V |
| Clock input |
CK |
-0.3 |
1.5 |
V |
| Data inputs |
D |
-0.3 |
1.5 |
V |
| Temperature at package base under bias |
TS |
-45 |
100 |
|
| Storage temperature |
TST |
-45 |
125 |
|
Oki's KGL4201 is a 10-GHz 8:1 multiplexer designed to operate in 10-Gbps communication links. This ircuit synchronously merges eight 1.25-Gbps data streams, clocked at low frequency rates into a single 0-Gbps stream, clocked at the higher frequency. In the KGL4201 multiplexer, the 10-GHz master clock is irst divided by two, then by four. The lower frequency components are first multiplexed by four, then he two groups are merged into a single data stream using the master 10-Gbps clock. Complementary /8 synchronous clock outputs are made available from the KGL4201 for use in synchronizing lower frequency ogic.
All signal interfaces are 50- With direct DC coupling on the 1.25-Gbps data inputs and phase-locked .25-Gbps clock outputs. The 10-Gbps data output and 10-GHz clock input are AC-capacitively-coupled or ease of interfacing at microwave speeds and reducing ground noise induced phase jitter. All package lock and data pins are separated by either ground or supply voltage pins to control the I/O impedance, aintain signal isolation and reduce phase noise.
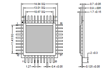
The KGL4201 is shipped in a 40-pin ceramic flat-package with impedance-controlling ground plane and
flush mounting bottom heat sink.