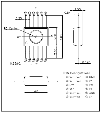
Features: `Full CMOS Seven Channel, Integrated High Speed Photodiodes and Current to Voltage Transimpedance Amplifiers`Four High Speed( 55/35MHz typ) Data Channels (A1/a1 ~ A4/a4)`Two Low Speed Tracking Channels (E, F)`High PD Sensitivity Optimized for DVD/CD Applicationswith Red Laser Diode ( =65...
KOD-1081: Features: `Full CMOS Seven Channel, Integrated High Speed Photodiodes and Current to Voltage Transimpedance Amplifiers`Four High Speed( 55/35MHz typ) Data Channels (A1/a1 ~ A4/a4)`Two Low Speed Trac...
SeekIC Buyer Protection PLUS - newly updated for 2013!
268 Transactions
All payment methods are secure and covered by SeekIC Buyer Protection PLUS.

|
Description |
Symbol |
Ratings |
Condition |
| Power Supply Voltage |
Vcc |
4.5 ~ 5.5 V |
- |
| Output Voltage |
Vo |
Vcc + 0.5 V |
- |
| Soldering Temperature |
Tsol |
260 |
- |
| Storage Temperature |
Tstg |
-30 ~ +85 |
- |