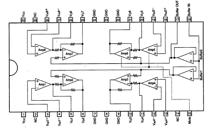
Features: ·4-channel bridge (BTL) power amplifier.·IO max 700 mA.·With mute circuit (Amp 3, Amp 4). PinoutSpecifications Parameter Symbol Conditions Ratings Unit Supply voltage VCCmax 14 V Maximum supply voltage 2 Pd max * Mounted on PCB shown below 2.5 V Maximum input ...
LA6537: Features: ·4-channel bridge (BTL) power amplifier.·IO max 700 mA.·With mute circuit (Amp 3, Amp 4). PinoutSpecifications Parameter Symbol Conditions Ratings Unit Supply voltage VCCmax ...
SeekIC Buyer Protection PLUS - newly updated for 2013!
268 Transactions
All payment methods are secure and covered by SeekIC Buyer Protection PLUS.

| Parameter | Symbol | Conditions | Ratings | Unit |
| Supply voltage | VCCmax | 14 | V | |
| Maximum supply voltage 2 | Pd max | * Mounted on PCB shown below | 2.5 | V |
| Maximum input voltage | VINB | 13 | V | |
| Mute pin voltage | VMUTEmax | 13 | V | |
| Operating temperature | Topr | -20 to +75 | ||
| Storage temperature | Tstg | -55 to +150 |