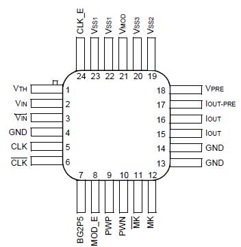
Features: · High data-rate clocked laser diode driver· Clock disable mode for data feedthrough· Adjustable high output current· Operation up to 3 GbitsApplication·SONET/SDH transmission systems· SONET/SDH test equipment·Optical transmittersPinoutSpecificationsStresses in excess of the absolute max...
LG1627BXC: Features: · High data-rate clocked laser diode driver· Clock disable mode for data feedthrough· Adjustable high output current· Operation up to 3 GbitsApplication·SONET/SDH transmission systems· SON...
SeekIC Buyer Protection PLUS - newly updated for 2013!
268 Transactions
All payment methods are secure and covered by SeekIC Buyer Protection PLUS.

Stresses in excess of the absolute maximum ratings can cause permanent damage to the device.
These are absolute stress ratings only. Functional operation of the device is not implied at these or any other conditions in excess of those given in the operational sections of the data sheet. Exposure to absolute maximum ratings for extended periods can adversely affect device reliability.
| Parameter | Symbol | Min | Max | Unit |
| Supply Voltage | VSS | - | 5.75 | V |
| Storage Temperature | TI | GND | VSS | V |
| Operating Case Temperature Range | PD | - | 1 | W |
| Input Voltage | Tstg | 40 | 125 | |
| Power Dissipation | TC | - | 100 |
The LG1627BXC is a gallium arsenide (GaAs) laser diode driver to be used with direct modulated laser diodes in high-speed non-return-to-zero (NRZ) transmission systems. The device is made in a highperformance 0.9 m gate GaAs hetero-junction FET technology that utilizes high-density MIM capacitors, airbridge interconnect, and NiCr film precision resistors.
The LG1627BXC includes differential data and clock inputs. The high-output, low overhoot drive current and prebias can be set separately. Data retiming is accomplished by the internal flip-flop, minimizing jitter on the data. Clocking can be disabled for data feedthrough. A pulse-width control enables the user to compensate for laser turn-on delay. A 2.5 V bandgap reference is required for stable operation over temperature and varying power supply voltage.