Features: ` Rise/fall times typically 7 ns with 8 pF load`Output swing capability: 50 VPP for VCC = 80 40 VPP for VCC = 70 30 VPP for VCC = 60`Pinout designed for easy PCB layout`0V to 6V input range` Stable with 0 pF20 pF capactive loads`Convenient TO-220 staggered lead package styleApplication·C...
LM2405: Features: ` Rise/fall times typically 7 ns with 8 pF load`Output swing capability: 50 VPP for VCC = 80 40 VPP for VCC = 70 30 VPP for VCC = 60`Pinout designed for easy PCB layout`0V to 6V input rang...
SeekIC Buyer Protection PLUS - newly updated for 2013!
268 Transactions
All payment methods are secure and covered by SeekIC Buyer Protection PLUS.

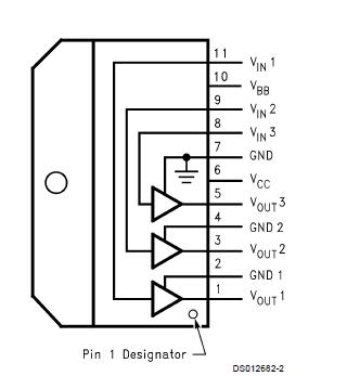
The LM2405 is an integrated high voltage CRT driver circuit designed for use in color monitor applications. The IC contains three high input impedance, wide band amplifiers which directly drive the RGB cathodes of a CRT. Each channel has its gain internally set at −14 and can drive CRT capacitive loads as well as resistive loads presented by other applications, limited only by the package's power dissipation. The IC is packaged in an industry standard 11 lead TO-220 molded plastic power package. See thermal considerations on page 5.