Features: `0V to 5V input range` Stable with 020 pF capacitive loads and inductive peaking networks` Convenient TO-220 staggered lead package style` Maintains standard LM240X Family pinout which is designed for easy PCB layoutApplication· AC coupled HDTV applications using the 1080i and 720p forma...
LM2421: Features: `0V to 5V input range` Stable with 020 pF capacitive loads and inductive peaking networks` Convenient TO-220 staggered lead package style` Maintains standard LM240X Family pinout which is ...
SeekIC Buyer Protection PLUS - newly updated for 2013!
268 Transactions
All payment methods are secure and covered by SeekIC Buyer Protection PLUS.

If Military/Aerospace specified devices are required,please contact the National Semiconductor Sales Office/Distributors for availability and specifications.
Supply Voltage (VCC) ...................................................+155V
Bias Voltage (VBB) ..........................................................+15V
Input Voltage (VIN) ...................................-0.5V to VBB +0.5V
Storage Temperature Range (TSTG)........ −65°C to +150°C
Lead Temperature
(Soldering, <10 sec.) 300°C
ESD Tolerance, Human Body Model ..................................2kV
Machine Model ...............................................................200V
Junction Temperature ................................................150°C
JC (typ) ................................................................2.8°C/W
The LM2421 is an integrated high voltage CRT driver circuit designed for use in HDTV applications. The IC contains three high input impedance, wide band amplifiers which directly drive the RGB cathodes of a CRT. Each channel has its gain internally set to −42 and can drive CRT capacitive loads as well as resistive loads present in other applications, limited only by the package's power dissipation.
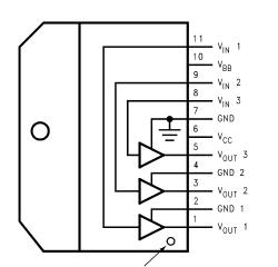
The LM2421 is packaged in an industry standard 11-lead TO-220 molded plastic power package. See Thermal Considerations section.