PinoutSpecificationsOutput CurrentUndefined mAInput Min Voltage1.8 VoltInput Max Voltage28 VoltOutput Range0.700V to 1.708V, DAC programmedEfficiency (peak)Undefined %Adj Switch FrequencyYesAdjustable OutputYesOn/Off PinYesError FlagYesSync PinNoInvertingNoFlybackNoRegTypeSwitching ControllerTempe...
LM27213: PinoutSpecificationsOutput CurrentUndefined mAInput Min Voltage1.8 VoltInput Max Voltage28 VoltOutput Range0.700V to 1.708V, DAC programmedEfficiency (peak)Undefined %Adj Switch FrequencyYesAdjustab...
SeekIC Buyer Protection PLUS - newly updated for 2013!
268 Transactions
All payment methods are secure and covered by SeekIC Buyer Protection PLUS.

| Output Current | Undefined mA |
| Input Min Voltage | 1.8 Volt |
| Input Max Voltage | 28 Volt |
| Output Range | 0.700V to 1.708V, DAC programmed |
| Efficiency (peak) | Undefined % |
| Adj Switch Frequency | Yes |
| Adjustable Output | Yes |
| On/Off Pin | Yes |
| Error Flag | Yes |
| Sync Pin | No |
| Inverting | No |
| Flyback | No |
| RegType | Switching Controller |
| Temperature Min | -5 deg C |
| Temperature Max | 110 deg C |
| Topology | Current Mode Hysteretic |
| Step-Down | Yes |
| Step-Up | No |
| Output Power | Undefined Watt |
| Output Max | 1.708 Volt |
| Output Min | 0.7 Volt |
| View Using Catalog | |
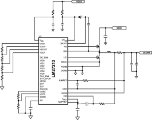
The LM27213 is a single-phase synchronous buck regulator controller designed to fully support a portable microprocessor. On-chip gate drive makes for a compact, single chip solution. Output currents in excess of 25 Amps are possible.
The IC employs a current mode hysteretic control mechanism. Inductor current is sensed through a low value sense resistor.
The LM27213 will operate over an input voltage range of 5V to 30V. The output voltage is programmed through 6 Voltage Identification (VID) pins and ranges from 0.700V to 1.708V in 64 steps.
Since the error in the output voltage directly sets the inductor current, the dynamic response to a large, fast load transient is close to a square wave. This is optimal for mode transition requirements. Also, due to the intrinsic input voltage feedforward characteristic of hysteretic control, the line transient response is excellent as well.
The IC provides cycle-by-cycle peak current limit, over-voltage protection, and a power good signal. The LM27213 fully supports the Stop CPU and Sleep modes offered by some processors. When enabled, the IC enters a power-saving "diode emulator" mode which helps prolong battery runtime for portable systems.
The LM27213 also has a soft start feature for the external adjustment of soft start speed.
Reliability Metrics
| Part Number | Process | EFR Reject | EFR Sample Size | PPM | LTA Rejects | LTA Device Hours | FITS | MTTF (Hours) |
| LM27213MTD | ABCD150 | 0 | 31520 | 0 | 0 | 3739000 | 1 | 1060951459 |
| LM27213MTDX | ABCD150 | 0 | 31520 | 0 | 0 | 3739000 | 1 | 1060951459 |
| LM27213SQ | ABCD150 | 0 | 31520 | 0 | 0 | 3739000 | 1 | 1060951459 |
| LM27213SQX | ABCD150 | 0 | 31520 | 0 | 0 | 3739000 | 1 | 1060951459 |
More Application Notes
| Title | Size in Kbytes | Date | |
| AN-1487: Application Note 1487 Current Mode Hysteretic Buck Regulators | 558 Kbytes | 29-Aug-06 | Download |
| AN-1487 (Japanese): Application Note 1487 Current Mode Hysteretic Buck Regulators 640){this.height=this.height*640/this.width;this.width=640;}' border="0" alt=" Connection Diagram"> |
197 Kbytes | ||
| AN-1487 (Chinese): Application Note 1487 Current Mode Hysteretic Buck Regulators |
373 Kbytes | 640){this.height=this.height*640/this.width;this.width=640;}' border="0" alt=" Connection Diagram"> |
If you have trouble printing or viewing PDF file(s), see Printing Problems. |