PinoutSpecificationsTopologySynchronous BuckInput Max Voltage30 VoltSupply Min4 VoltSupply Max6.85 VoltPeak Sink Current4.5 AmpPeak Source Current3 AmpOutput Rise Time (tr)17 nsOutput Fall Time tf14 nsBottom Driver Prop Delay11.5 nsTopDriver PropDelay9.5 nsPulseWidth Min30 nsQuiescent Current0.540...
LM27222: PinoutSpecificationsTopologySynchronous BuckInput Max Voltage30 VoltSupply Min4 VoltSupply Max6.85 VoltPeak Sink Current4.5 AmpPeak Source Current3 AmpOutput Rise Time (tr)17 nsOutput Fall Time tf14...
SeekIC Buyer Protection PLUS - newly updated for 2013!
268 Transactions
All payment methods are secure and covered by SeekIC Buyer Protection PLUS.

| Topology | Synchronous Buck |
| Input Max Voltage | 30 Volt |
| Supply Min | 4 Volt |
| Supply Max | 6.85 Volt |
| Peak Sink Current | 4.5 Amp |
| Peak Source Current | 3 Amp |
| Output Rise Time (tr) | 17 ns |
| Output Fall Time tf | 14 ns |
| Bottom Driver Prop Delay | 11.5 ns |
| TopDriver PropDelay | 9.5 ns |
| PulseWidth Min | 30 ns |
| Quiescent Current | 0.540 mA |
| HighSide Drive | Yes |
| LowSide Drive | Yes |
| Outputs | 2 |
| LowGate Enable | Yes |
| UVLO | No |
| Shut down | Yes |
| On/Off Pin | Yes |
| Input Control | Single PWM |
| RegType | MOSFET Driver |
| Temperature Min | -40 deg C |
| Temperature Max | 125 deg C |
| View Using Catalog | |
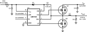
The LM27222 is a dual N-channel MOSFET driver designed to drive MOSFETs in push-pull configurations as typically used in synchronous buck regulators. The LM27222 takes the PWM output from a controller and provides the proper timing and drive levels to the power stage MOSFETs. Adaptive shoot-through protection prevents damaging and efficiency reducing shoot-through currents, thus ensuring a robust design capable of being used with nearly any MOSFET. The adaptive shoot-through protection circuitry also reduces the dead time down to as low as 10ns, ensuring the highest operating efficiency. The peak sourcing and sinking current for each driver of the LM27222 is about 3A and 4.5Amps respectively with a Vgs of 5V. System performance is also enhanced by keeping propagation delays down to 8ns. Efficiency is once again improved at all load currents by supporting synchronous, non-synchronous, and diode emulation modes through the LEN pin. The minimum output pulse width realized at the output of the MOSFETs is as low as 30ns. This enables high operating frequencies at very high conversion ratios in buck regulator designs. To support low power states in notebook systems, the LM27222 draws only 5µA from the 5V rail when the IN and LEN inputs are low or floating.
Reliability Metrics
| Part Number | Process | EFR Reject | EFR Sample Size | PPM | LTA Rejects | LTA Device Hours | FITS | MTTF (Hours) |
| LM27222M | ABCD150 | 0 | 31520 | 0 | 0 | 3739000 | 1 | 1060951459 |
| LM27222MX | ABCD150 | 0 | 31520 | 0 | 0 | 3739000 | 1 | 1060951459 |
| LM27222SD | ABCD150 | 0 | 31520 | 0 | 0 | 3739000 | 1 | 1060951459 |