PinoutSpecificationsTopologyboost controller / current regulatorInput Min Voltage5 VoltInput Max Voltage37 VoltOutput RangeVin to 40V+Efficiency (peak)88 %Special Features3-channel current controller, LED fault protectionAdjustable OutputYesOn/Off PinYesError FlagYesSwitching Frequency1000 kHzAdj ...
LM3431: PinoutSpecificationsTopologyboost controller / current regulatorInput Min Voltage5 VoltInput Max Voltage37 VoltOutput RangeVin to 40V+Efficiency (peak)88 %Special Features3-channel current controlle...
SeekIC Buyer Protection PLUS - newly updated for 2013!
268 Transactions
All payment methods are secure and covered by SeekIC Buyer Protection PLUS.

| Topology | boost controller / current regulator |
| Input Min Voltage | 5 Volt |
| Input Max Voltage | 37 Volt |
| Output Range | Vin to 40V+ |
| Efficiency (peak) | 88 % |
| Special Features | 3-channel current controller, LED fault protection |
| Adjustable Output | Yes |
| On/Off Pin | Yes |
| Error Flag | Yes |
| Switching Frequency | 1000 kHz |
| Adj Switch Frequency | Yes |
| Sync Pin | No |
| Step-Down | No |
| Step-Up | Yes |
| Inverting | No |
| Flyback | No |
| RegType | Switching Controller |
| Temperature Min | -40 deg C |
| Temperature Max | 125 deg C |
| Feedback Voltage | 1.71 Volt |
| Automotive Selection Guide | Yes |
| PowerWise | Yes |
| View Using Catalog | |
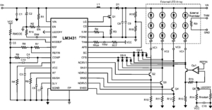
The LM3431 is a 3-channel linear current controller combined with a boost switching controller ideal for driving LED backlight panels in space critical applications. The LM3431 drives 3 external NPN transistors or MOSFETs to deliver high accuracy constant current to 3 LED strings. Output current is adjustable to drive strings in excess of 200 mA. The LM3431 can be expanded to drive as many as 6 LED strings.
The boost controller drives an external NFET switch for step-up regulation from input voltages between 5V and 36V. The LM3431 features LED cathode feedback to minimize regulator headroom and optimize efficiency.
A DIM input pin controls LED brightness from analog or digital control signals. Dimming frequencies up to 25 kHz are possible with a contrast ratio of 100:1. Contrast ratios greater than 1000:1 are possible at lower dimming frequencies.
The LM3431 eliminates audible noise problems by maintaining constant output voltage regulation during LED dimming. Additional features include LED short and open protection, fault delay/error flag, cycle by cycle current limit, and thermal shutdown for both the IC and LED array. The enhanced LM3431A features reduced offset voltge for higher accuracy LED current.
Reliability Metrics
| Part Number | Process | EFR Reject | EFR Sample Size | PPM | LTA Rejects | LTA Device Hours | FITS | MTTF (Hours) |
| LM3431AMH | ABCD150 | 0 | 31520 | 0 | 0 | 3739000 | 1 | 1060951459 |
| LM3431AMHX | ABCD150 | 0 | 31520 | 0 | 0 | 3739000 | 1 | 1060951459 |
| LM3431AQMH | ABCD150 | 0 | 31520 | 0 | 0 | 3739000 | 1 | 1060951459 |
| LM3431AQMHX | ABCD150 | 0 | 31520 | 0 | 0 | 3739000 | 1 | 1060951459 |
| LM3431MH | ABCD150 | 0 | 31520 | 0 | 0 | 3739000 | 1 | 1060951459 |
| LM3431MHX | ABCD150 | 0 | 31520 | 0 | 0 | 3739000 | 1 | 1060951459 |
| LM3431QMH | ABCD150 | 0 | 31520 | 0 | 0 | 3739000 | 1 | 1060951459 |
| LM3431QMHX | ABCD150 | 0 | 31520 | 0 | 0 | 3739000 | 1 | 1060951459 |
Design Tools
| Title | Size in Kbytes | Date | |||
| LM3431 Component Calculator | 554 Kbytes | 26-Nov-2007 | View |
If you have trouble printing or viewing PDF file(s), see Printing Problems. |
| • | RD-169 - CCFL to LED Conversion Power Supply |
Application Notes
| Title | Size in Kbytes | Date | |
| AN-1764: Application Note 1764 LM3431 Evaluation Board | 588 Kbytes | 10-Jan-08 | Download |
| AN-1764 (Chinese): Application Note 1764 LM3431 Evaluation Board |
983 Kbytes | 640){this.height=this.height*640/this.width;this.width=640;}' border="0" alt=" Connection Diagram"> |
If you have trouble printing or viewing PDF file(s), see Printing Problems. |
More Application Notes
| Title | Size in Kbytes | Date | |
| AN-1679: Application Note 1679 LED Backlighting Solution with LM3430 and LM3432 | 2763 Kbytes | 18-Sep-07 | Download |
| AN-1937: Application Note 1937 LM3433 10A to 40A LED Driver Evaluation Board | 1559 Kbytes | 25-Mar-09 | Download |
| AN-1907: Application Note 1907 LM3423 Buck-Boost Configuration Evaluation Board | 879 Kbytes | 8-Dec-08 | Download |
| AN-1736: Application Note 1736 LM3433 HB LED Driver Evaluation Kit | 1011 Kbytes | 4-Feb-08 | Download |
| AN-1793: Application Note 1793 LM3433 4A to 20A LED Driver Evaluation Board | 701 Kbytes | 25-Aug-08 | Download |
| AN-1793 (Chinese): Application Note 1793 LM3433 4A to 20A LED Driver Evaluation Board |
591 Kbytes | 640){this.height=this.height*640/this.width;this.width=640;}' border="0" alt=" Connection Diagram"> | |
| AN-1529: Application Note 1529 LM3430 Evaluation Board | 2770 Kbytes | 21-Aug-07 | Download |
| AN-1529 (Chinese): Application Note 1529 LM3430 Evaluation Board |
789 Kbytes | 640){this.height=this.height*640/this.width;this.width=640;}' border="0" alt=" Connection Diagram"> |
If you have trouble printing or viewing PDF file(s), see Printing Problems. |