PinoutSpecificationsPower@ 4Ohms, 1% THD32 WattPower@ 8Ohms, 1% THD25 WattPower@ 4Ohms, 10% THD40 WattPower@ 8Ohms, 10% THD30 WattTHD0.2 %PSRR115 dBSNR98 dBChannels3 ChannelsTHD ConditionsPo=15W, f=20kHz, Av=26dB, V=25V, Rl=8OhmsPSRR ConditionsV+=25V-10V,V-=-25V Vcm=0V, Io=0mASNR ConditionsPo=1Wrm...
LM4782: PinoutSpecificationsPower@ 4Ohms, 1% THD32 WattPower@ 8Ohms, 1% THD25 WattPower@ 4Ohms, 10% THD40 WattPower@ 8Ohms, 10% THD30 WattTHD0.2 %PSRR115 dBSNR98 dBChannels3 ChannelsTHD ConditionsPo=15W, f=...
SeekIC Buyer Protection PLUS - newly updated for 2013!
268 Transactions
All payment methods are secure and covered by SeekIC Buyer Protection PLUS.

| Power@ 4Ohms, 1% THD | 32 Watt |
| Power@ 8Ohms, 1% THD | 25 Watt |
| Power@ 4Ohms, 10% THD | 40 Watt |
| Power@ 8Ohms, 10% THD | 30 Watt |
| THD | 0.2 % |
| PSRR | 115 dB |
| SNR | 98 dB |
| Channels | 3 Channels |
| THD Conditions | Po=15W, f=20kHz, Av=26dB, V=25V, Rl=8Ohms |
| PSRR Conditions | V+=25V-10V,V-=-25V Vcm=0V, Io=0mA |
| SNR Conditions | Po=1Wrms;A-Weighted Filter;fin=1kHz, Rs=25Ohms |
| User Supply | 25 Volt |
| Supply Range | +20 - +64V |
| Mute/Shutdown | Mute and standby |
| Mono/Stereo | 3 Ch |
| Gain Bandwidth | 7.5 MHz |
| Slew Rate | 18 Volts/usec |
| Temperature Min | -20 deg C |
| Temperature Max | 85 deg C |
| View Using Catalog | |
The LM4782 is a three channel audio amplifier capable of typically delivering 25W per channel of continuous average output power into an 8 load with less than 0.5% THD+N from 20Hz - 20kHz.
The LM4782 is fully protected utilizing National's Self Peak Instantaneous Temperature (°Ke) (SPiKeTM) protection circuitry. SPiKe provides a dynamically optimized Safe Operating Area (SOA). SPiKe protection completely safeguards the LM4782's outputs against over-voltage, under-voltage, overloads, shorts to the supplies or GND, thermal runaway and instantaneous temperature peaks. The advanced protection features of the LM4782 places it in a class above discrete and hybrid amplifiers.
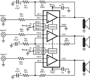
Each amplifier of the LM4782 has an independent smooth transition fade-in/out mute and a power conserving standby mode. The mute and standby modes can be controlled by external logic.
The LM4782 can easily be configured for bridge or parallel operation for higher power and bi-amp solutions.
Reliability Metrics
| Part Number | Process | EFR Reject | EFR Sample Size | PPM | LTA Rejects | LTA Device Hours | FITS | MTTF (Hours) |
| LM4782TA | HV700 | 0 | 13580 | 0 | 0 | 1222500 | 3 | 346887713 |