PinoutSpecificationsTemp Resolution11-bit/0.125degCRemote Diode Thermal Sensors1TruTherm(TM) Beta CompensationNoAnalog InputsUndefinedADC ResolutionUndefined bitsFan Speed Inputs1Fan Control Output(s)1 PWMFan Control MethodLookup TableVID InputsUndefinedDynamic VID VCCP MonitoringUndefinedBidirect...
LM64: PinoutSpecificationsTemp Resolution11-bit/0.125degCRemote Diode Thermal Sensors1TruTherm(TM) Beta CompensationNoAnalog InputsUndefinedADC ResolutionUndefined bitsFan Speed Inputs1Fan Control Output(...
SeekIC Buyer Protection PLUS - newly updated for 2013!
268 Transactions
All payment methods are secure and covered by SeekIC Buyer Protection PLUS.

| Temp Resolution | 11-bit/0.125degC |
| Remote Diode Thermal Sensors | 1 |
| TruTherm(TM) Beta Compensation | No |
| Analog Inputs | Undefined |
| ADC Resolution | Undefined bits |
| Fan Speed Inputs | 1 |
| Fan Control Output(s) | 1 PWM |
| Fan Control Method | Lookup Table |
| VID Inputs | Undefined |
| Dynamic VID VCCP Monitoring | Undefined |
| Bidirectional PROCHOT Support | Undefined |
| GPIOs | 5 GPIO, 5 GPD |
| Interrupt Outputs | 1 |
| Reference Voltage | Undefined |
| Temperature Accuracy (+/-) | 1 deg C |
| Temperature Min | 0 deg C |
| Temperature Max | 125 deg C |
| Interface Type | SMBus |
| Supply Min | 3 Volt |
| Supply Max | 3.6 Volt |
| Quiescent Current | 1.1 mA |
| Resolution | 11 bits |
| Temperature Accuracy (+/-) | 1 deg C |
| Automotive Selection Guide | Yes |
| View Using Catalog | |
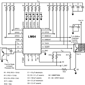
The LM64 is a remote diode temperature sensor with PWM fan control. The LM64 accurately measures its own temperature and that of a remote diode. The LM64 remote temperature accuracy is factory trimmed for a MMBT3904 diode-connected transistor with a 16°C offset for high temperatures.
The LM64 features a PWM, open-drain, fan control output, 5 GPIO (General Purpose Input/Output) and 5 GPD (General Purpose Default) pins. The 8-step Lookup Table allows for a non-linear fan speed vs. temperature transfer function often used to quiet acoustic fan noise.
Reliability Metrics
| Part Number | Process | EFR Reject | EFR Sample Size | PPM | LTA Rejects | LTA Device Hours | FITS | MTTF (Hours) |
| LM64CILQ-F | CMOS7 | 0 | 16561 | 0 | 0 | 954000 | 4 | 270700104 |
| LM64CILQX-F | CMOS7 | 0 | 16561 | 0 | 0 | 954000 | 4 | 270700104 |
Design Tools
| Title | Size in Kbytes | Date | |||
| SensorEval Software for Thermal Mangement Products | 6 Kbytes | 15-May-2008 | View |
If you have trouble printing or viewing PDF file(s), see Printing Problems. |