Features: Wide-Band IF filter for W-CDMA. Because it is leadless type, automatic mounting is possible. Excellent phase characteristics. Balance connection type of input and output is available.PinoutSpecifications Item Unit Conditions Specifications Nominal Frequency MHz ...
LSFB54-380-004M0: Features: Wide-Band IF filter for W-CDMA. Because it is leadless type, automatic mounting is possible. Excellent phase characteristics. Balance connection type of input and output is available.Pinou...
SeekIC Buyer Protection PLUS - newly updated for 2013!
268 Transactions
All payment methods are secure and covered by SeekIC Buyer Protection PLUS.
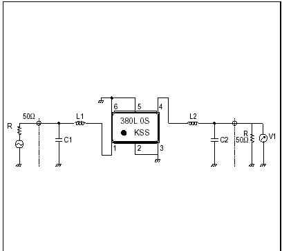
Features: IF filter for transmission and reception.Low power consumption. Miniature size and light...
Features: IF filter for transmission and reception.Low power consumption. Miniature size and light...
Features: IF filter for transmission and reception.Low power consumption. Miniature size and light...

|
Item |
Unit |
Conditions |
Specifications |
|
Nominal Frequency |
MHz |
380 | |
|
Operating Temperature Range |
.C |
30~+75 |
|
|
Storage Temperature Range |
.C |
40~+80 | |
|
Insertion Loss |
dB |
Minimum Loss |
7.0 MAX. |
|
Guaranteed Attenuation |
dB |
Fo±5MHz |
35 MIN. |
|
Fo±10MHz |
40 MIN. | ||
|
Terminating Impedance |
Ω |
35 MIN. | |
|
Ripple |
dB |
±1.92MHz |
1.0 MAX. |
|
Pass Bandwidth |
°C |
3dB |
±2.3 MIN.. |