Features: `Low Supply Current: 300A`Two Receivers Kept Alive in SHUTDOWN`ESD Protection Over ±10kV`Operates from a Single 5V Supply`Uses Small Capacitors: 0.1F`Operates to 120k Baud`Three-State Outputs Are High Impedance When Off`Output Overvoltage Does Not Force Current Back into Supplies`RS232 I...
LTC1349: Features: `Low Supply Current: 300A`Two Receivers Kept Alive in SHUTDOWN`ESD Protection Over ±10kV`Operates from a Single 5V Supply`Uses Small Capacitors: 0.1F`Operates to 120k Baud`Three-State Outp...
SeekIC Buyer Protection PLUS - newly updated for 2013!
268 Transactions
All payment methods are secure and covered by SeekIC Buyer Protection PLUS.

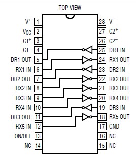
The LTC1349 is a 3-driver/5-receiver RS232 transceiver with very low supply current. In the no load condition, the supply current is only 300A. The charge pump only requires four 0.1F capacitors.
In SHUTDOWN mode, two receivers are kept alive and the supply current is 35A. All RS232 outputs assume a high impedance state in SHUTDOWN and with the power off.
The LTC1349 is fully compliant with all data rate and overvoltage RS232 specifications. The transceiver can operate up to 120k baud with a 2500pF, 3k load. Both driver outputs and receiver inputs can be forced to ±25V without damage, and can survive multiple ±10kV ESD strikes.