Features: Monitors Three Inputs Simultaneously LTC1726-5: 5V, 3.3V and ADJ LTC1726-2.5: 2.5V, 3.3V and ADJ 1.5% Threshold Accuracy Over TemperatureLow Supply Current: 16m A TypAdjustable RESET TimeoutAdjustable Watchdog TimeoutActive Low Open-Drain Reset OutputPower Supply Glitch ImmunityGuarante...
LTC1726: Features: Monitors Three Inputs Simultaneously LTC1726-5: 5V, 3.3V and ADJ LTC1726-2.5: 2.5V, 3.3V and ADJ 1.5% Threshold Accuracy Over TemperatureLow Supply Current: 16m A TypAdjustable RESET Time...
SeekIC Buyer Protection PLUS - newly updated for 2013!
268 Transactions
All payment methods are secure and covered by SeekIC Buyer Protection PLUS.

V CC3, V CC5/VCC25 , V CCA......................... 0.3V to 7V
RST............................................................. 0.3V to 7V
WDI............................................................ 0.3V to 7V
RT, WT ....................................................... 0.3V to 7V
Operating Temperature Range (Note 3)...40 C to 85 C
Storage Temperature Range................. 65 C to 150 C
Lead Temperature (Soldering, 10 sec)................. 300 C
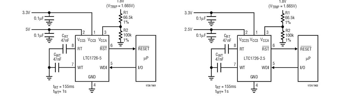
The LTC(R) 1726 is a triple supply monitor and microproces-sor supervisory circuit with adjustable reset and watchdog functions intended for systems with multiple supply volt- ages. The part has a common open-drain reset output with an adjustable delay. The reset and watchdog time-out periods are both adjustable using external capacitors.
Tight 1.5% accuracy specifications and glitch immunity ensure reliable reset operation without false triggering. The RST output is guaranteed to be in the correct state for VCC5/VCC25 or VCC3 down to 1V. The LTC1726 may also be configured to monitor any one or two inputs instead VCC of three, depending on system requirements. The low (16m A typical) supply current makes the LTC1726 ideal for power-conscious systems.