Features: · Six precision independent current sink channels· Simultaneous Analog and Digital Dimming Modes· Precision programming of current rise & fall times· 1% band gap reference· 40 volt rated output stages·3V / 5V logic input compatible· 1.5 watt power dissipation· On-chip thermal shutdow...
LX1991: Features: · Six precision independent current sink channels· Simultaneous Analog and Digital Dimming Modes· Precision programming of current rise & fall times· 1% band gap reference· 40 volt rat...
SeekIC Buyer Protection PLUS - newly updated for 2013!
268 Transactions
All payment methods are secure and covered by SeekIC Buyer Protection PLUS.
Each output has an independent current sink, however each must be held above about 600-800mV (typically) to perform properly and maintain the specified current regulation accuracy. The device is designed however to allow one or more of the outputs to be unused (open) without affecting the other channels Or conversely if more than 30mA is needed the outputs can be combined for higher total currents.

Supply Voltage (VDD ) .................................................................................. -0.3v to 6V
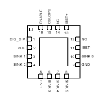
Analog Output Voltage (SINK1 to SINK6 )................................................... -0.3V to 43V
Analog Inputs (ISET)..........................................................................-0.3V to VDD +0.5V
Digital Inputs (ENABLE, DIG_DIM) .....................................................-0.3V to VDD +0.5V
Operating Temperature Range.....................................................................-40 85
Storage Temperature Range......................................................................-65 150
Maximum Junction Temperature ............................................................................. 150
Peak Package Solder Reflow Temp. (40 seconds max. exposure) ............. 260 (+0, -5)
Note: Exceeding these ratings could cause damage to the device. All voltages are with respect to Ground.
Currents are positive into, negative out of specified terminal.
LED Display Driver: This six channel current sink driver is ideal for controlling brightness and hue of high quality dimmable LED displays. High accuracy, dual mode dimming, and controlled current switching time provides consistent color hue, at brightness ratios of up to 1000:1, and keeps electro magnetic emissions in check.Its wide compliance voltage range combined with 43 volt breakdown capability make the LX1991 ideal for automotive in-dash displays.
LX1991 Precision current control: Precision current mirror circuitry sets all channels to the same current with a single programming input. Sinking current value can be programmed up to 30 mA per channel with a single resistor or potentiometer from ISET+ to ISET-. Channel to channel matching is typically within ±1 percent of channel mean at the rated output current.
LX1991 Dual Mode Dimming: Display dimming can be achieved by controlling either current amplitude or duty cycle, and both methods can be employed at the same time.1000:1 Dimming Range: The DIG_DIM input accepts a TTL or CMOS logic signal that controls duty cycle of the output urrents.
LX1991 Independent Channels: The six channels feature independent regulation with respect to output voltage, so one does not affect the others. Any one or more outputs can be left unloaded without affecting current regulation of the other channels. Multiple channels can also be connected together to sink more current in a single load.
EMI Control: Rise and fall time of sink currents are precisely controlled by placing a capacitor on the SLOPE_C pin. Special control circuitry maintains symmetrical rise and fall times, preserving the LX1991's ability to provide accurate output current response to very narrow input pulses on the DIG_DIM pin.
Power Handling: The LX1991 is supplied in a 4x4 MLPQ package capable of 1.5 watts dissipation. Logic Enable: A separate input puts the LX1991 to sleep at less than 1 uA IDD.