Features: ` SUPPLY VOLTAGE VDD = 1.7V to 2.0V for program, erase and read VDDQ = 1.7V to 2.0V for I/O Buffers VPP = 9V for fast program (12V tolerant)` SYNCHRONOUS / ASYNCHRONOUS READ Synchronous Burst Read mode: 54MHz Asynchronous Page Read mode Random Access: 85ns` SYNCHRONOUS BURST READ S...
M30L0R8000T0: Features: ` SUPPLY VOLTAGE VDD = 1.7V to 2.0V for program, erase and read VDDQ = 1.7V to 2.0V for I/O Buffers VPP = 9V for fast program (12V tolerant)` SYNCHRONOUS / ASYNCHRONOUS READ Synchronou...
SeekIC Buyer Protection PLUS - newly updated for 2013!
268 Transactions
All payment methods are secure and covered by SeekIC Buyer Protection PLUS.
Features: SUPPLY VOLTAGE VDD = 1.7V to 2.0V for program, erase an read VDDQ = 1.7V to 2.0V for ...
Features: SUPPLY VOLTAGE VDD = 1.7V to 2.0V for program, erase an read VDDQ = 1.7V to 2.0V for ...

|
Symbol |
Parameter |
Value |
Unit | |
|
Min |
Max | |||
|
TA |
Ambient Operating Temperature |
25 |
85 |
|
|
TBIAS |
Temperature Under Bias |
25 |
85 |
|
|
TSTG |
Storage Temperature |
65 |
125 |
|
|
TLEAD |
Lead Temperature during Soldering |
(1) |
||
|
VIO |
Input or Output Voltage |
0.5 |
3.8 |
V |
|
VDD |
Supply Voltage |
0.2 |
2.5 |
V |
|
VDDQ |
Input/Output Supply Voltages |
0.2 |
2.5 |
V |
|
VPP |
Program Voltage |
0.2 |
12.6 |
V |
|
IO |
Output Short Circuit Current |
100 |
mA | |
|
tVPPFH |
Time for VPPF at VPPFH |
100 |
hours | |
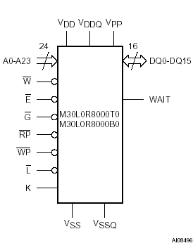
The M30L0R8000T0 and M30L0R8000B0 are 256 Mbit (16 Mbit x16) non-volatile Flash memories that may be erased electrically at block level and programmed in-system on a Word-by-Word basis using a 1.7V to 2.0V VDD supply for the circuitry and a 1.7V to 2.0V VDDQ supply for the Input/Output pins. An optional 9V VPP power supply is provided to speed up factory programming.
The device features an asymmetrical block architecture and is based on a multi-level cell technology. The M30L0R8000x0 has an array of 259 blocks, and is divided into 16 Mbit banks. There are 15 banks each containing 16 main blocks of 64 KWords, and one parameter bank containing 4 parameter blocks of 16 KWords and 15 main blocks of 64 KWords.
The Multiple Bank Architecture M30L0R8000T0 allows Dual Operations, while programming or erasing in one bank, read operations are possible in other banks. Only one bank at a time is allowed to be in program or erase mode. It is possible to perform burst reads that cross bank boundaries. The bank architecture is summarized in Table 2., and the memory maps are shown in Figure 4. The Parameter Blocks are located at the top of the memory address space for the M30L0R8000T0, and at the bottom for the M30L0R8000B0.
Each block M30L0R8000T0 can be erased separately. Erase can be suspended, in order to perform a program or read operation in any other block, and then resumed. Program can be suspended to read data at any memory location except for the one being programmed, and then resumed. Each block can be programmed and erased over 100,000 cycles using the supply voltage VDD. There is a Buffer Enhanced Factory programming command available to speed up programming.
Program and erase commands are written to the
Command Interface of the memory. An internal Program/Erase Controller takes care of the timings necessary for program and erase operations. The end of a program or erase operation can be detected and any error conditions identified in the Status Register. The command set required to control the memory is consistent with JEDEC standards.
The device supports Synchronous Burst Read and Asynchronous Read from all blocks of the memory array; at power-up the device is configured for Asynchronous Read. In Synchronous Burst Read mode, data is output on each clock cycle at frequencies of up to 54MHz. The Synchronous Burst Read operation can be suspended and resumed. The device features an Automatic Standby mode. When the bus is inactive during Asynchronous Read operations, the device automatically switches to the Automatic Standby mode. In this condition the power consumption is reduced to the standby value and the outputs are still driven.
The M30L0R8000x0 features an instant M30L0R8000T0, individual block locking scheme that allows any block to be locked or unlocked with no latency, enabling instant code and data protection. All blocks have three levels of protection. They can be locked and locked-down individually preventing any accidental programming or erasure. There is an additional hardware protection against program and erase. When VPP VPPLK all blocks are protected against program or erase. All blocks are locked at powerup.
The M30L0R8000T0 includes 17 Protection Registers and 2 Protection Register locks, one for the first Protection Register and the other for the 16 One-Time- Programmable (OTP) Protection Registers of 128 bits each. The first Protection Register is divided into two segments: a 64 bit segment containing a unique device number written by ST, and a 64 bit segment One-Time-Programmable (OTP) by the user. The user programmable segment can be permanently protected. Figure 5., shows the Protection Register Memory Map.
The M30L0R8000T0 is offered in a Stacked TFBGA88 8x10mm - 8x10 active ball array, 0.8mm pitch package. In addition to the standard version, the packages are also available in Lead-free version, in compliance with JEDEC Std J-STD-020B, the ST ECOPACK 7191395 Specification, and the RoHS (Restriction of Hazardous Substances) directive. All packages are compliant with Lead-free soldering processes.
The M30L0R8000T0 are supplied with all the bits erased (set to '1').