Features: ` High breakdown vo `tage (BVCEO 40V)` High-current driving (Ic(max) = 150mA)` With c `amping diodes` Driving avai `ab `e with PMOS IC output of 8-18V` Wide input vo `tage range (VI = 40 to +40V)` Wide operating temperature range (Ta = 20 to +75°C)ApplicationDrives of relays and printers...
M54527P: Features: ` High breakdown vo `tage (BVCEO 40V)` High-current driving (Ic(max) = 150mA)` With c `amping diodes` Driving avai `ab `e with PMOS IC output of 8-18V` Wide input vo `tage range (VI = 40 t...
SeekIC Buyer Protection PLUS - newly updated for 2013!
268 Transactions
All payment methods are secure and covered by SeekIC Buyer Protection PLUS.

|
Symbol |
Parameter |
Conditions |
Ratings |
Unit |
| VCEO | Collector-emitter voltage | Output, H |
-0.5to+40 |
V |
| Ic | Collector current | Current per circuit output, L |
150 |
mA |
| VI | Input voltage |
-40to+40 |
V | |
| VR | Clamping diode reverse voltage |
150 |
mA | |
| IF | Clamping diode forward current |
40
|
V | |
| Pd | Power dissipation | Ta = 25°C, when mounted on board |
1.47 |
W |
| Topr | Operating temperature |
20to +75 |
||
| Tstg | Storage temperature |
-55to+125 |
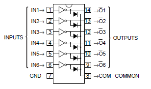
M54527P is six-circuit Darlington transistor arrays with clamping diodes. The circuits are made of NPN transistors.Both the semiconductor integrated circuits perform high-current driving with extremely low input-current supply.