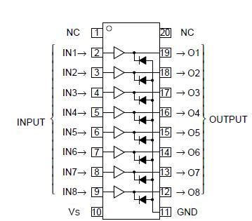
Features: High breakdown voltage (BVCEO 50V) High-current driving (Io(max) = 500mA) With output clamping diodes Driving available with PMOS IC output of 6 ~ 16V or with TTL output Wide operating temperature range (Ta = 20 to +75°C) Output current-sourcing typeApplicationDrives of relays, printers,...
M54562FP: Features: High breakdown voltage (BVCEO 50V) High-current driving (Io(max) = 500mA) With output clamping diodes Driving available with PMOS IC output of 6 ~ 16V or with TTL output Wide operating tem...
SeekIC Buyer Protection PLUS - newly updated for 2013!
268 Transactions
All payment methods are secure and covered by SeekIC Buyer Protection PLUS.
Drives of relays, printers, LEDs, fluorescent display tubes and lamps, and interfaces between MOS-bipolar logic systems and relays, solenoids, or small motors

|
Symbol |
Parameter |
Conditions |
Ratings |
Unit |
|
VCEO # |
Collector-emitter voltage | Output, L |
0.5 ~ +50 |
V |
|
VS |
Supply Voltage |
50 |
V | |
|
VI |
Input Voltage |
0.5 ~ +30 |
V | |
|
IO |
Output Current |
Current per circuit output, H |
500 |
mA |
|
IF |
Clamping diode forward current |
500 |
mA | |
|
VR # |
Clamping diode reverse voltage |
50 |
V | |
|
PD |
Power Dissipation |
Ta=25°C Mounted on a board |
1.79(P)/1.10(FP) |
W |
|
Topr |
Operating temperature |
20 ~ +75 |
||
|
Tstg |
Storage Temperature |
55 ~ +125 |
M54562P and M54562FP are eight-circuit output-sourcing Darlington transistor arrays. The circuits are made of PNP and NPN transistors. Both the semiconductor integrated circuits perform high-current driving with extremely low inputcurrent supply.