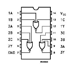
Features: HIGH SPEED tPD =9 ns (TYP.) AT VCC = 5 VLOWPOWER DISSIPATION ICC =1 A (MAX.) AT TA = 25 °CHIGH NOISE IMMUNITY VIH = 2V (MIN.) VIL = 0.8V (MAX)OUTPUT DRIVE CAPABILITY 10 LSTTL LOADS SYMMETRICAL OUTPUT IMPEDANCE IOH = IOL= 4 mA (MIN.) BALANCEDPROPAGATION DELAYS tPLH = tPHLPIN AND FUNCTION ...
M54HCT27: Features: HIGH SPEED tPD =9 ns (TYP.) AT VCC = 5 VLOWPOWER DISSIPATION ICC =1 A (MAX.) AT TA = 25 °CHIGH NOISE IMMUNITY VIH = 2V (MIN.) VIL = 0.8V (MAX)OUTPUT DRIVE CAPABILITY 10 LSTTL LOADS SYMMETR...
SeekIC Buyer Protection PLUS - newly updated for 2013!
268 Transactions
All payment methods are secure and covered by SeekIC Buyer Protection PLUS.

|
Symbol |
Parameter |
Value |
Unit |
|
VCC |
Supply Voltage |
-0.5 to +7 |
V |
|
VI |
DC Input Voltage |
-0.5 to VCC + 0.5 |
V |
|
VO |
DC Output Voltage |
-0.5 to VCC + 0.5 |
V |
|
IIK |
DC Input Diode Current |
± 20 |
mA |
|
IOK |
DC Output Diode Current |
± 20 |
mA |
|
IO |
DC Output Source Sink Current Per Output Pin |
± 25 |
mA |
|
ICC or IGND |
DC VCC or Ground Current |
± 50 |
mA |
|
PD |
Power Dissipation |
500 (*) |
mW |
|
Tstg |
Storage Temperature |
-65 to +150 |
°C |
|
TL |
Lead Temperature (10 sec) |
300 |
°C |
The M54/74HCT27 is a high speed CMOS TRIPLE 3-INPUT NOR GATE fabricated in silicon gate C2MOS technology.
M54/74HCT27 has the same high speed performance of LSTTL combined with true CMOS low power consumption. The internal circuit M54/74HCT27 is composed of 3 stages including buffered output, which gives high noise immunity and a stable output. All inputs are equipped with protection circuits against static discharge and transient excess voltage. This integrated circuit M54/74HCT27 has input and output characteristics that are fully compatible with 54/74 LSTTL logic families. M54/74HCT devices are designed to directly interface HSC2MOS systems with TTL and NMOS components. They are also plug in replacements for LSTTL devices giving a reduction of power consumption.