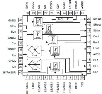
Features: • 6ch Electronic volume Volume level: 0 to-95dB(1dB/step)• Tone control Bass/Treble:-14dB to +14dB(2dB/step)• Noise voltage: 1.5Vrms• Bypass mode is high quality sound.PinoutSpecifications Symbol Parameter Condition Ratings Unit Vsupply Su...
M61539FP: Features: • 6ch Electronic volume Volume level: 0 to-95dB(1dB/step)• Tone control Bass/Treble:-14dB to +14dB(2dB/step)• Noise voltage: 1.5Vrms• Bypass mode is high quality so...
SeekIC Buyer Protection PLUS - newly updated for 2013!
268 Transactions
All payment methods are secure and covered by SeekIC Buyer Protection PLUS.

|
Symbol |
Parameter |
Condition |
Ratings |
Unit |
|
Vsupply |
Supply voltage | AVCC-AVSS |
16 |
V
|
| DVDD-DGND |
7 | |||
|
Pd |
power dissipation | Ta25°C |
1460 |
W |
|
K |
Thermal derating | Ta>25°C |
11.7 |
mW/°C |
|
Topr |
operating temperature |
-20to+75 |
°C | |
|
Tstg |
Storage temperature |
-40to+125 |
°C |