Features: • Bi-directional serial data communication with MCU• Read of serial data during parallel-serial conversion.• Bit resolution of serial data I/O• Low power dissipation (50W/package max.)(VCC=5V, Ta=25°C, in quiescing)• Schmitt input (DI, CLK, S, CS)• Ope...
M66006FP: Features: • Bi-directional serial data communication with MCU• Read of serial data during parallel-serial conversion.• Bit resolution of serial data I/O• Low power dissipatio...
SeekIC Buyer Protection PLUS - newly updated for 2013!
268 Transactions
All payment methods are secure and covered by SeekIC Buyer Protection PLUS.

|
Symbol |
Parameter |
Conditions |
Ratings |
Unit |
| VCC | Supply voltage |
0.5 ~ +7.0 |
V | |
| VI | Input voltage |
0.5 ~ VCC + 0.5 |
V | |
| VO | Output voltage |
0.5 ~ VCC + 0.5 |
V | |
| IIK | Input protection diode current | VI<0V |
-20 |
mA
|
| VI>VCC |
20 | |||
| IOK | Output incidental diode current | VO<0V |
-20 |
mA
|
| VO>VCC |
20 | |||
| IGND | Power/GND | GND |
-48 |
mA |
| Tstg | Storage temperature |
60 ~ +150 |
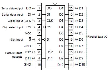
The M66006 is a semiconductor integrated circuit which has 12-bit shift register function to execute serial-parallel conversion and parallel-serial conversion.
Because a serial-parallel shift register and a parallel-serial shift register are independently built in this IC, it is possible to read serial input data to a shift register while converting parallel data into serial data. Also, parallel data I/O pins can be set to input mode or output mode bit-by-bit.
The M66006 can be widely used for I/O port expansion of MCU, serial bus system data communication, etc.