Features: ` HIGH SPEED: tPD = 11ns (TYP.) at VCC = 6V` LOW POWER DISSIPATION: ICC = 4A(MAX.) at TA=25°C` HIGH NOISE IMMUNITY: VNIH = VNIL = 28 % VCC (MIN.)` SYMMETRICAL OUTPUT IMPEDANCE: |IOH| = IOL = 6mA (MIN)` BALANCED PROPAGATION DELAYS: tPLH tPHL` WIDE OPERATING VOLTAGE RANGE: VCC (OPR) = 2V t...
M74HC242: Features: ` HIGH SPEED: tPD = 11ns (TYP.) at VCC = 6V` LOW POWER DISSIPATION: ICC = 4A(MAX.) at TA=25°C` HIGH NOISE IMMUNITY: VNIH = VNIL = 28 % VCC (MIN.)` SYMMETRICAL OUTPUT IMPEDANCE: |IOH| = IOL...
SeekIC Buyer Protection PLUS - newly updated for 2013!
268 Transactions
All payment methods are secure and covered by SeekIC Buyer Protection PLUS.

|
Symbol |
Parameter |
Value |
Unit |
|
VCC |
Supply Voltage |
-0.5 to +7 |
V |
|
VI |
DC Input Voltage |
-0.5 to VCC + 0.5 |
V |
|
VO |
DC Output Voltage |
-0.5 to VCC + 0.5 |
V |
|
IIK |
DC Input Diode Current |
± 20 |
mA |
|
IOK |
DC Output Diode Current |
± 20 |
mA |
|
IO |
DC Output Current |
± 35 |
mA |
|
ICC or IGND |
DC VCC or Ground Current |
± 70 |
mA |
|
PD |
Power Dissipation |
500(*) |
mW |
|
Tstg |
Storage Temperature |
-65 to +150 |
|
|
TL |
Lead Temperature (10 sec) |
300 |
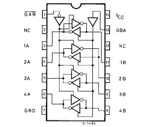
The M74HC242 is an high speed CMOS QUAD BUS TRANSCEIVER (3-STATE) fabricated with silicon gate C2MOS technology.
The M74HC242 is a 3-state bidirectional inverting buffer and is intended for two way asynchronous communication between data buses. It has high drive current outputs which enable high speed operation when driving large bus capacitance. The device has one active high enable (GBA), and one active low enable (GAB).
All inputs are equipped with protection circuits against static discharge and transient excess voltage.