Features: 10-Pin µMAX Package: Smallest 10-Pin PackageSoftware-Selectable Half-/Full-Duplex Operation (MAX1485/MAX1486)0.1µA Low-Current Shutdown Mode (MAX1481)Slew-Rate Limiting Allows Error-Free Data Transmission (MAX1481/MAX1485)12Mbps High-Speed Operation (MAX1484/MAX1486)Allow up ...
MAX1484: Features: 10-Pin µMAX Package: Smallest 10-Pin PackageSoftware-Selectable Half-/Full-Duplex Operation (MAX1485/MAX1486)0.1µA Low-Current Shutdown Mode (MAX1481)Slew-Rate Limiting Allows ...
SeekIC Buyer Protection PLUS - newly updated for 2013!
268 Transactions
All payment methods are secure and covered by SeekIC Buyer Protection PLUS.

The MAX1481/MAX1484/MAX1485/MAX1486 provide software-selectable, half-/full-duplex, low-power, slewrate-limited, and high-speed (12Mbps) RS-485/RS-422 operation in a 10-pin µMAX package-the smallest 10-pin package available.
The software-selectable, half-/full-duplex MAX1485/MAX1486 make obsolete the normally larger and more expensive solutions required for selectable half-/fullduplex RS-485/RS-422 operation: 1) a 14-pin, fullduplex transceiver configured via jumpers between
receiver and transmitter lines, or 2) two 8-pin, halfduplex transceivers, which require an additional inverter logic gate for software selectability.
The MAX1481/MAX1484 are functionally equivalent to the industry-standard MAX491 and 75180, and are designed for space-constrained, full-duplex RS-422 applications.
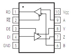
All parts contain one driver and one receiver and feature a 1/8-unit-load receiver input impedance, allowing up to 256 transceivers on the bus. The MAX1481/MAX1485 feature reduced-slew-rate drivers that minimize EMI and reduce reflections caused by improperly terminated cables, allowing error-free data transmissionup to 250kbps. The MAX1484/MAX1486 driver slew rates are not limited, allowing them to transmit up to 12Mbps.
The MAX1481/MAX1484/MAX1485/MAX1486 draw only 300µA of supply current. The MAX1481 has a low-power shutdown mode that reduces supply current to only 0.1µA. All devices operate from a single 5V supply.
Drivers are output short-circuit current limited and are protected against excessive power dissipation by thermal-shutdown circuitry that places the driver outputs into a high-impedance state. The receiver input has a failsafe feature that guarantees a logic-high output if the input is open circuit.