Features: Isolated Data Interface to 1600VRMS(1 minute) Slew-Rate-Limited Data Transmission (MAX3480B)High-Speed, Isolated, 2.5Mbps RS-485 Interface(MAX3480A)-7V to +12V Common-Mode Input Voltage Range with Respect to Isolated GroundSingle +3.3V Supply Current Limiting and Thermal Shutdown for Dri...
MAX3480: Features: Isolated Data Interface to 1600VRMS(1 minute) Slew-Rate-Limited Data Transmission (MAX3480B)High-Speed, Isolated, 2.5Mbps RS-485 Interface(MAX3480A)-7V to +12V Common-Mode Input Voltage Ra...
SeekIC Buyer Protection PLUS - newly updated for 2013!
268 Transactions
All payment methods are secure and covered by SeekIC Buyer Protection PLUS.

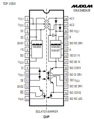
The MAX3480A/MAX3480B are electrically isolated RS-485/RS-422 data-communications interfaces.Transceivers, optocouplers, and a transformer are all included in one low-cost, 28-pin DIP package. A single+3.3V supply on the logic side powers both sides of the interface.The MAX3480B features reduced-slew-rate drivers that minimize EMI and reduce reflections caused by improperly terminated cables, allowing error-free data transmission at data rates up to 250kbps. The MAX3480A's driver slew rate is not limited, allowing transmission rates up to 2.5Mbps. These devices typically draw 180mA of quiescent sup-ply current. The MAX3480B provides a low-power shut-down mode in which it consumes only 0.2µA.Drivers are short-circuit current limited and are protect-ed against excessive power dissipation by thermal shutdown circuitry that places the driver outputs into a high-impedance state. The receiver input has a fail-safe feature that guarantees a logic-high output if the input is open circuit.The MAX3480A/MAX3480B typically withstand 1600VRMS(1 minute) or 2000VRMS(1 second). Their isolated inputs and outputs meet RS-485/RS-422 specifications.