Features: *6 Force Signal Paths (±15V Supplies) 1 Force Signal Matching (±15V Supplies)*60 Sense-Guard Signal Paths (±15V Supplies) 8 Sense-Guard Signal Matching (±15V Supplies)*Rail-to-Rail Signal Handling*Break-Before-Make Switching (MAX4556)*tON and tOFF = 275ns (±15V Supplies)*Low 1A Power Con...
MAX4554: Features: *6 Force Signal Paths (±15V Supplies) 1 Force Signal Matching (±15V Supplies)*60 Sense-Guard Signal Paths (±15V Supplies) 8 Sense-Guard Signal Matching (±15V Supplies)*Rail-to-Rail Signal ...
SeekIC Buyer Protection PLUS - newly updated for 2013!
268 Transactions
All payment methods are secure and covered by SeekIC Buyer Protection PLUS.

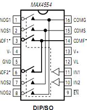
The MAX4554 operate from a single supply of +9V to +40V or dual supplies of ±4.5V to ±20V. On-resistance (6 max) is matched between switches to 1 max.Each switch can handle Rail-to-Rail analog signals.The off-leakage current is only 0.25nA at +25°C and 2.5nA at +85°C. The MAX4554 is also fully specified for +20V and -10V operation.
All digital inputs of MAX4554 have +0.8V and +2.4V logic thresh olds, ensuring both TTL- and CMOS-logic compatibility.