Features: ESD-Protected NO/NC Pins ±15kV (Human Body Model) ±15kV (IEC 1000-4-2 Air-Gap Discharge) ±8kV (IEC 1000-4-2 Contact Discharge)Pin Compatible with MAX4541/MAX4542/MAX4543Guaranteed On-Resistance 70 (max) at +5V 150 (max) at +3VOn-Resistance Flatness 2 (typ) at +5V 6 (typ) at +3VOn-Resista...
MAX4575: Features: ESD-Protected NO/NC Pins ±15kV (Human Body Model) ±15kV (IEC 1000-4-2 Air-Gap Discharge) ±8kV (IEC 1000-4-2 Contact Discharge)Pin Compatible with MAX4541/MAX4542/MAX4543Guaranteed On-Resis...
SeekIC Buyer Protection PLUS - newly updated for 2013!
268 Transactions
All payment methods are secure and covered by SeekIC Buyer Protection PLUS.

The MAX4575/MAX4576/MAX4577 are low-voltage, high electrostatic discharge (ESD)-protected, dual single- pole/single-throw (SPST) analog switches. The normally closed (NO) and normally open (NC) pins are protected against ±15kV ESD without latchup or damage. Each switch can handle Rail-to-Rail® analog signals. Off-leakage current is 0.5nA at +25°C. These analog switches are suitable for low-distortion audio applications and are the preferred solution over mechanical relays in automated test equipment or applications where current switching is required. They have low power requirements (0.5W), require less board space, and are more reliable than mechanical relays. Each device is controlled by TTL/CMOS input voltage levels and is bilateral.
The MAX4575 feature guaranteed operation from a single supply of +2V to +12V, making them ideal for use in battery-powered applications. On-resistance is 70 (max), matched between switches to 0.5 (typ) and flat (2 typ) over the specified signal range.
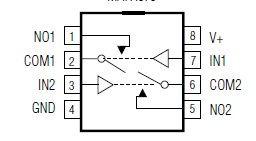
The MAX4575 has two NO switches, the MAX4576 has two NC switches, and the MAX4577 has one NO and one NC switch. These devices are available in 8-pin MAX and SO packages.