Features: · +3V Logic-Compatible Inputs (VIH = 2.0V, VIL = 0.8V)· Guaranteed On-Resistance: 80Ω with +12V Supply· Guaranteed 4Ω On-Resistance Match Between Channels· Guaranteed Low Off-Leakage Current: 2nA at +25°C· Guaranteed Low On-Leakage Current: 2nA at +25°C· +2V to +12V Supply Op...
MAX4581L: Features: · +3V Logic-Compatible Inputs (VIH = 2.0V, VIL = 0.8V)· Guaranteed On-Resistance: 80Ω with +12V Supply· Guaranteed 4Ω On-Resistance Match Between Channels· Guaranteed Low Off-L...
SeekIC Buyer Protection PLUS - newly updated for 2013!
268 Transactions
All payment methods are secure and covered by SeekIC Buyer Protection PLUS.

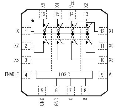
The MAX4581L/MAX4582L/MAX4583L are low-voltage, CMOS analog ICs configured as an 8-channel multiplexer (MAX4581L), two 4-channel multiplexers (MAX4582L), and three single-pole/double-throw (SPDT) switches (MAX4583L).
The MAX4581L operates with a +2V to +12V single supply. Each switch can handle Rail-to-Rail® analog signals. Off-leakage current is only 2nA at +25°C. All digital inputs have 0.8V to 2.0V logic thresholds to ensure TTL/CMOS-logic compatibility when using a +12V supply.