Features: On-Resistance0.7Ω (+3V Supply)1.6Ω (+1.8V Supply) On-Resistance Match Between Channels 0.3Ω (+3V Supply) On-Resistance Flatness 0.1Ω (+3V Supply) Single-Supply Operation Down to 1.6V High-Current Handling Capacity (150mA Continuous) +1.8V CMOS-Logic CompatibleFast...
MAX4783: Features: On-Resistance0.7Ω (+3V Supply)1.6Ω (+1.8V Supply) On-Resistance Match Between Channels 0.3Ω (+3V Supply) On-Resistance Flatness 0.1Ω (+3V Supply) Single-Supply Oper...
SeekIC Buyer Protection PLUS - newly updated for 2013!
268 Transactions
All payment methods are secure and covered by SeekIC Buyer Protection PLUS.

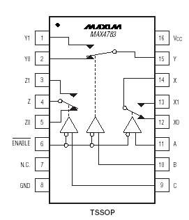
The MAX4781/MAX4782/MAX4783 are high-speed, low-voltage, low on-resistance, CMOS analog multiplexers/ switches configured as an 8-channel multiplexer (MAX4781), two 4-channel multiplexers (MAX4782), and three single-pole/double-throw (SPDT) switches (MAX4783).
These devices operate with a +1.6V to +3.6V single supply. When powered from a +3V supply, MAX4781/ MAX4782/MAX4783 feature a 0.7Ω on-resistance (RON), with 0.3Ω RON matching between channels, and 0.1Ω RON flatness. The MAX4783 handle rail-to-rail analog signals while consuming less than 3µW of quiescent power. They are available in space-saving 16- pin thin QFN (3mm x 3mm) and TSSOP packages.