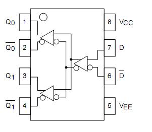
Features: •265ps Propagation Delay•5ps Skew Between Outputs•High Bandwidth Output Transitions•75kΩ Internal Input Pulldown Resistors•>1000V ESD ProtectionPinoutDescriptionThe MC100EL11 is a differential 1:2 fanout buffer. The device is functionally similar to...
MC100EL11: Features: •265ps Propagation Delay•5ps Skew Between Outputs•High Bandwidth Output Transitions•75kΩ Internal Input Pulldown Resistors•>1000V ESD ProtectionPinou...
SeekIC Buyer Protection PLUS - newly updated for 2013!
268 Transactions
All payment methods are secure and covered by SeekIC Buyer Protection PLUS.
US $4.26 - 6.3 / Piece
Counter Shift Registers 5V ECL 8-Bit Binary Up Synchronous

The MC100EL11 is a differential 1:2 fanout buffer. The device is functionally similar to the E111 device but with higher performance capabilities. Having within-device skews and output transition times significantly improved over the E111, the EL11 is ideally suited for those applications which require the ultimate in AC performance.
The differential inputs of the MC100EL11 employ clamping circuitry to maintain stability under open input conditions. If the inputs are left open(pulled to VEE) the Q outputs will go LOW.