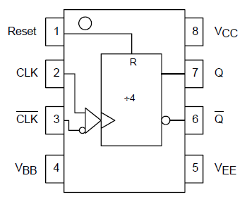
Features: • 650ps Propagation Delay• 4.0GHz Toggle Frequency• High Bandwidth Output Transitions• 75k Internal Input Pulldown Resistors• >1000V ESD ProtectionPinoutDescriptionThe MC100EL33 is an integrated ÷4 divider. The differential clock inputs and the VBB allow...
MC100EL33: Features: • 650ps Propagation Delay• 4.0GHz Toggle Frequency• High Bandwidth Output Transitions• 75k Internal Input Pulldown Resistors• >1000V ESD ProtectionPinoutD...
SeekIC Buyer Protection PLUS - newly updated for 2013!
268 Transactions
All payment methods are secure and covered by SeekIC Buyer Protection PLUS.
US $4.26 - 6.3 / Piece
Counter Shift Registers 5V ECL 8-Bit Binary Up Synchronous

The MC100EL33 is an integrated ÷4 divider. The differential clock inputs and the VBB allow a differential, single-ended or AC coupled interface to the device. If used, the VBB output should be bypassed to ground with a 0.01mF capacitor. Also note that the VBB is designed to be used as an input bias on the EL33 only, the VBB output has limited current sink and source capability.
The reset pin is asynchronous and is asserted on the rising edge. Upon power-up, the internal flip-flops will attain a random state; the reset allows for the synchronization of multiple MC100EL33's in a system.