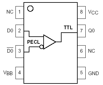
Features: • 3.5ns Typical Propagation Delay• Differential PECL Inputs• Small Outline SOIC Package• 24mA TTL Output• Flow Through PinoutsPinoutSpecifications Symbol Parameter Value Unit VCC DC Supply Voltage (Referenced to GND) 7.0 V TA...
MC100ELT21: Features: • 3.5ns Typical Propagation Delay• Differential PECL Inputs• Small Outline SOIC Package• 24mA TTL Output• Flow Through PinoutsPinoutSpecifications Symb...
SeekIC Buyer Protection PLUS - newly updated for 2013!
268 Transactions
All payment methods are secure and covered by SeekIC Buyer Protection PLUS.
US $4.26 - 6.3 / Piece
Counter Shift Registers 5V ECL 8-Bit Binary Up Synchronous

|
Symbol |
Parameter |
Value |
Unit |
|
VCC |
DC Supply Voltage (Referenced to GND) |
7.0 |
V |
|
TA |
Operating Temperature Range (In Free-Air) |
40 to 85 |
|
|
TSTG |
Storage Temperature Range |
55 to +150 |
|