Features: •340 ps Typical Propagation Delay•Maximum Frequency > 3 GHz Typical•PECL Mode Operating Range: VCC = 3.0 V to 5.5 V with VEE= 0 V•NECL Mode Operating Range: VCC = 0 V with VEE= 3.0 V to 5.5 V•Open Input Default State•Q Output Will Default LOW with I...
MC100EP31: Features: •340 ps Typical Propagation Delay•Maximum Frequency > 3 GHz Typical•PECL Mode Operating Range: VCC = 3.0 V to 5.5 V with VEE= 0 V•NECL Mode Operating Range: VCC ...
SeekIC Buyer Protection PLUS - newly updated for 2013!
268 Transactions
All payment methods are secure and covered by SeekIC Buyer Protection PLUS.
US $4.26 - 6.3 / Piece
Counter Shift Registers 5V ECL 8-Bit Binary Up Synchronous

| Symbol |
Parameter |
Condition 1 |
Condition 2 |
Rating |
Units |
| VCC |
PECL Mode Power Supply |
VEE= OV |
6 |
V | |
| VEE | NECL Mode Power Supply |
VCC= OV |
-6 | V | |
| VI |
|
VEE=OV VCC=OV |
VIVCC
|
6 -6 |
V V |
| Iout | Output Current | Continuous Surge |
50 100 |
mA mA | |
| TA | Operating Temperature Range | 40 to +85 | °C | ||
| TSTY | Storage Temperature Range | 65 to +150 | °C | ||
| JA |
Thermal Resistance (JunctiontoAmbient) |
0 LFPM 500 LFPM |
8 TSSOP 8 TSSOP |
190 130 |
°C/W °C/W |
| JC | Thermal Resistance (JunctiontoCase) | std bd | 8 TSSOP | 40 to 41 | °C/W |
| JA |
Thermal Resistance (JunctiontoAmbient) |
0 LFPM 500 LFPM |
8 SOIC 8 SOIC |
185 140 |
°C/W °C/W |
| JC | Thermal Resistance (JunctiontoCase) | std bd | 8 SOIC | 41 to44 | °C/W |
| Tsol |
Wave Solder |
<2 to 3 sec @ 248°C |
265 |
°C |
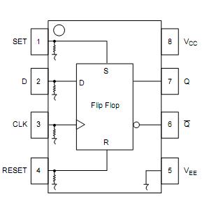
The MC100EP31 is a D flipflop with set and reset. The device is pin and functionally equivalent to the EL31 and LVEL31 devices.With AC performance much faster than the EL31 and MC100EP31 devices, the EP31 is ideal for applications requiring the fastest AC performance available. Both set and reset inputs are asynchronous,level triggered signals. Data enters the master portion of the flipflop when CLK is low and is transferred to the slave, and thus the outputs, upon a positive transition of the CLK.
The 100 Series contains temperature compensation.