Features: · 1:2 differential clock fanout buffer· 20 ps maximum device skew· SiGe Technology· Supports DC to 625 MHz operation· HSTL compatible differential clock outputs· HSTL compatible differential clock inputs· 3.3V power supply· Supports industrial temperature range· Standard 8 lead SOIC pack...
MC100ES8011H: Features: · 1:2 differential clock fanout buffer· 20 ps maximum device skew· SiGe Technology· Supports DC to 625 MHz operation· HSTL compatible differential clock outputs· HSTL compatible differenti...
SeekIC Buyer Protection PLUS - newly updated for 2013!
268 Transactions
All payment methods are secure and covered by SeekIC Buyer Protection PLUS.
US $4.26 - 6.3 / Piece
Counter Shift Registers 5V ECL 8-Bit Binary Up Synchronous

|
Symbol |
Parameter | Conditions |
Rating |
Unit |
|
VSUPPLY |
Power Supply Voltage | Difference between VCC & VEE |
3.9 |
V |
|
VIN |
Input Voltage | VCC - VEE 3.6V |
VCC + 0.3 VEE - 0.3 |
V V |
|
IOUT |
Output Current | Continuous Surge |
50 100 |
mA mA |
|
TA |
Operating Temperature Range |
-40 to +85 |
°C | |
|
TSTG |
Storage Temperature Range |
-65 to +150 |
°C |
1. Absolute maximum continuous ratings are those maximum values beyond which damage to the device may occur. Exposure to these
conditions or conditions beyond those indicated may adversely affect device reliability. Functional operation at absolute-maximum-rated
conditions is not implied.
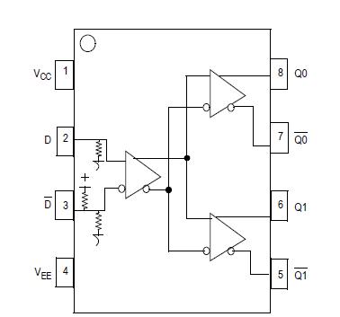
The MC100ES8011H is a low voltage 1:2 Differential HSTL fanout buffer. Designed for the most demanding clock distribution systems, the MC100ES8011H supports various applications that require the distribution of precisely aligned differential clock signals. Using SiGe technology and a fully differential architecture, the device offers very low skew outputs and superior digital signal characteristics. Target applications for this clock driver are in high performance clock distribution in computing, networking and telecommunication systems.